din35标准导轨尺寸图

导轨din35钢导ns35有孔c45平行din道轨电气导轨
图片尺寸800x1186
0/1米) 电气导轨 c45安装导轨接线排
图片尺寸448x468
hgw-cc系列直线导轨
图片尺寸2282x3134
直线导轨hgw 法兰型(上锁式)
图片尺寸2480x3189
展开全部 这个是上银导轨标准型号,mgn7c,我这有尺寸图,你看看是彩乔
图片尺寸1035x843
egh-ca系列直线导轨
图片尺寸2282x3134
th35/32/15mm guide mounting din rail
图片尺寸650x710
钢轨尺寸规格
图片尺寸800x1097
镀锌钢质导轨c45平行钢导轨u型卡轨din35元器件安装轨道g型铁导轨 钢
图片尺寸800x800
微型直线导轨-xfn(标准)
图片尺寸930x1458
德力西电气安装导轨th35标准din卡轨配电箱断路器c45其它
图片尺寸800x800
导轨mgn微小型滚珠线性滑轨
图片尺寸842x580
5/1m-615高脚型镀彩锌钢质电器安装导轨
图片尺寸600x285
皮卡汀尼导轨的使用原理是什么?如何操作和固定附件? - 知乎
图片尺寸800x512
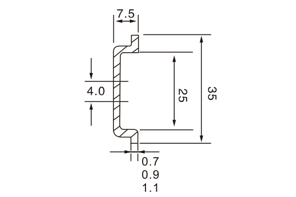
1厚卡轨导轨 din导轨高7.5 4.2x15
图片尺寸600x400
din导轨
图片尺寸514x541
hgl-ca系列直线导轨
图片尺寸2282x3134
单相导轨表
图片尺寸1196x903
5高*0.9厚,c45平行导轨,u型钢质导轨,din导轨
图片尺寸1920x736
精密直线导轨 hiwin/上银 hgw25cc滑块滑轨 重载滑动装置直线滑轨
图片尺寸980x1156