din7991

9级沉头内六角螺丝din7991 平头内六角螺栓高强度平杯沉杯m16
图片尺寸773x485
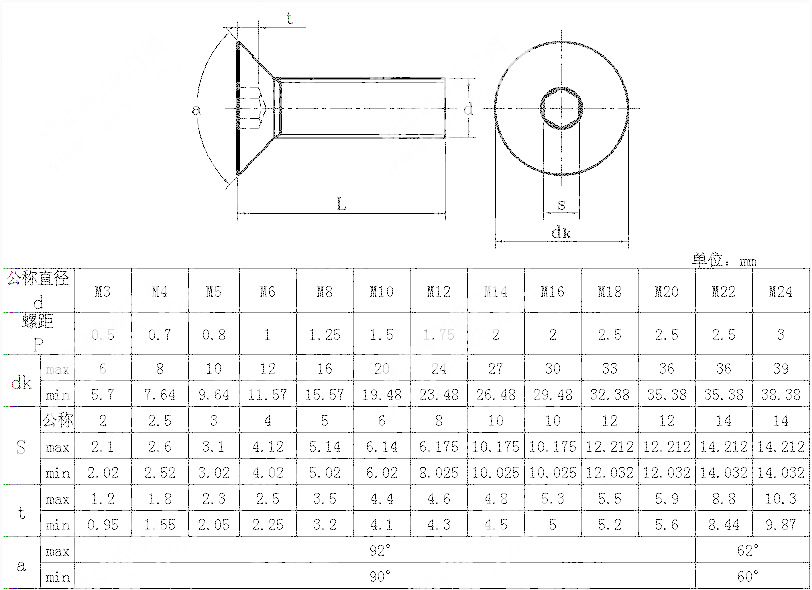
din7991尺寸图
图片尺寸790x1148
不锈钢304内六角沉头螺栓din7991
图片尺寸739x790
厂家直销109级din7991沉头内六角平杯螺丝
图片尺寸1024x1019
m3m4蓬发din7991发黑10.9级平头内六角螺丝沉头内六角平杯螺丝
图片尺寸790x982
m5镀白129级平沉头六角螺丝钉合金钢din7991芳生强度螺钉
图片尺寸2098x2463
镀锌din7991公制平杯10.9级平头六角螺钉沉头螺丝螺栓
图片尺寸700x814
304不锈钢平头螺丝沉头内六角螺丝钉din7991平杯螺丝
图片尺寸778x561
9级高强度沉头内六角螺栓 内六角沉头螺钉din7991
图片尺寸790x744
a2-din7991 不锈钢沉头内六角螺
图片尺寸832x592
佰瑞特 沉头内六角螺丝钉316不锈钢平头内六角螺丝din7991平杯螺栓
图片尺寸790x500
内六角沉头螺钉(iso10642/din7991/gb70.3;m16×65;2;a级;镀锌;4.
图片尺寸702x824
9级高强度平头 沉头内六角螺丝钉din7991平杯螺丝钉m2m2.5m3
图片尺寸800x800
内六角沉头螺钉 公制平杯螺丝 平头内六角 din7991 .
图片尺寸986x556
din7991沉头内六角螺栓 英制美制平杯 304不锈钢平头内六角螺丝
图片尺寸1000x1000
螺丝不锈钢平头沉头六角螺丝钉din7991平杯m2m25螺栓
图片尺寸800x800
供应沉头内六角机丝/din7991(din iso 10642)
图片尺寸752x315
9级din7991沉头内六角螺丝 平头内六角螺栓m2 m2.
图片尺寸812x590
伟业牌din7991 10.9级英制沉头内六角螺钉 美制沉头内六角螺丝
图片尺寸790x976
din7991 内六角沉头螺钉
图片尺寸551x392