dk1203

全新原装dk1203功率线式开关电源控制芯片芯片
图片尺寸508x438
dk1203开关电路220v转5v求助
图片尺寸1159x448
哈局三段df11(0219)牵引k5143次列车下行通过新青站
图片尺寸2054x1284
dk1203深圳东科dkacdc开关电源ic全新原装
图片尺寸345x325
哲弘地直插dip8开关电源芯片ic dk1203 拍一件有10个
图片尺寸800x800
先锋dk1203
图片尺寸582x389
原边反馈离线式开关电源管理icdk1203换rm6311s
图片尺寸800x341
dk1203 电源稳压芯片ic dip-8 全新原装正品 充电器芯片 开关芯片
图片尺寸960x960
dk1203的参考设计pcb 5个usb 电源充电 .
图片尺寸960x686
大量现货规格齐全桥式整流器桥堆 dk1203整流器二极管桥堆插件
图片尺寸800x800
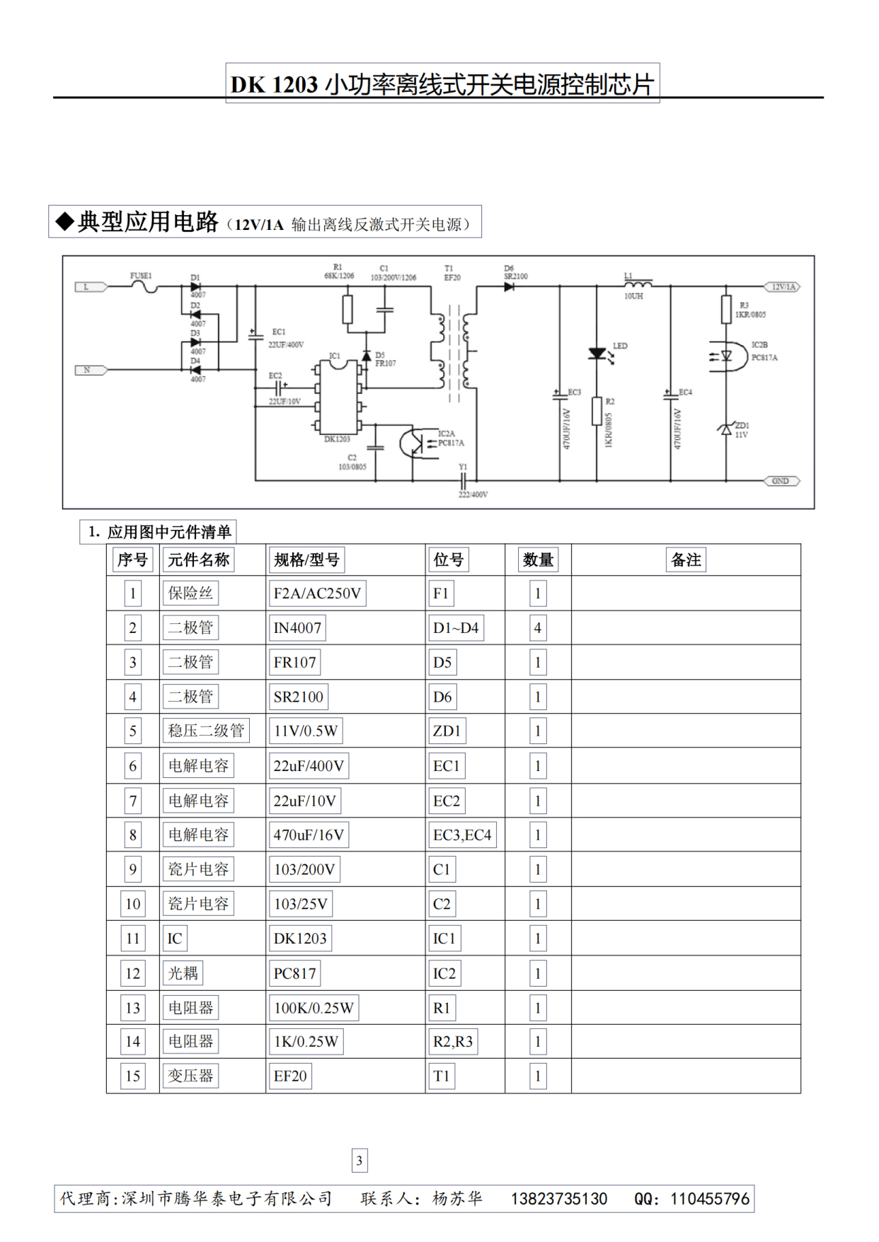
代理 dk1203 小功率离线式开关电源控制芯片
图片尺寸1242x1756
小功率开关电源控制芯片dk1203规格书(副本).pdf
图片尺寸792x1120
直插 dk1203 dip-8 小功率离线式开关电源控制芯片
图片尺寸750x750
dk1203直插dip8电源ic开关电源控制器适配器充电器芯片
图片尺寸800x800
监控电源原理维修,dk1203开关电源分析,引脚功能,实物与电路图-教育
图片尺寸460x259
dk1203
图片尺寸1240x1754
东科原装dk1203 dip-8 开关电源管理控制器 适配器充电器芯片
图片尺寸1267x1267
小功率开关电源控制芯片dk1203规格书(副本).pdf
图片尺寸792x1120
直插 dk1203 dip-8 小功率离线式开关电源控制芯片 全新原装正品
图片尺寸1000x1000
dk1203概述: dk1203芯片是专用小功率开关电源控制芯片,广泛用于
图片尺寸468x147