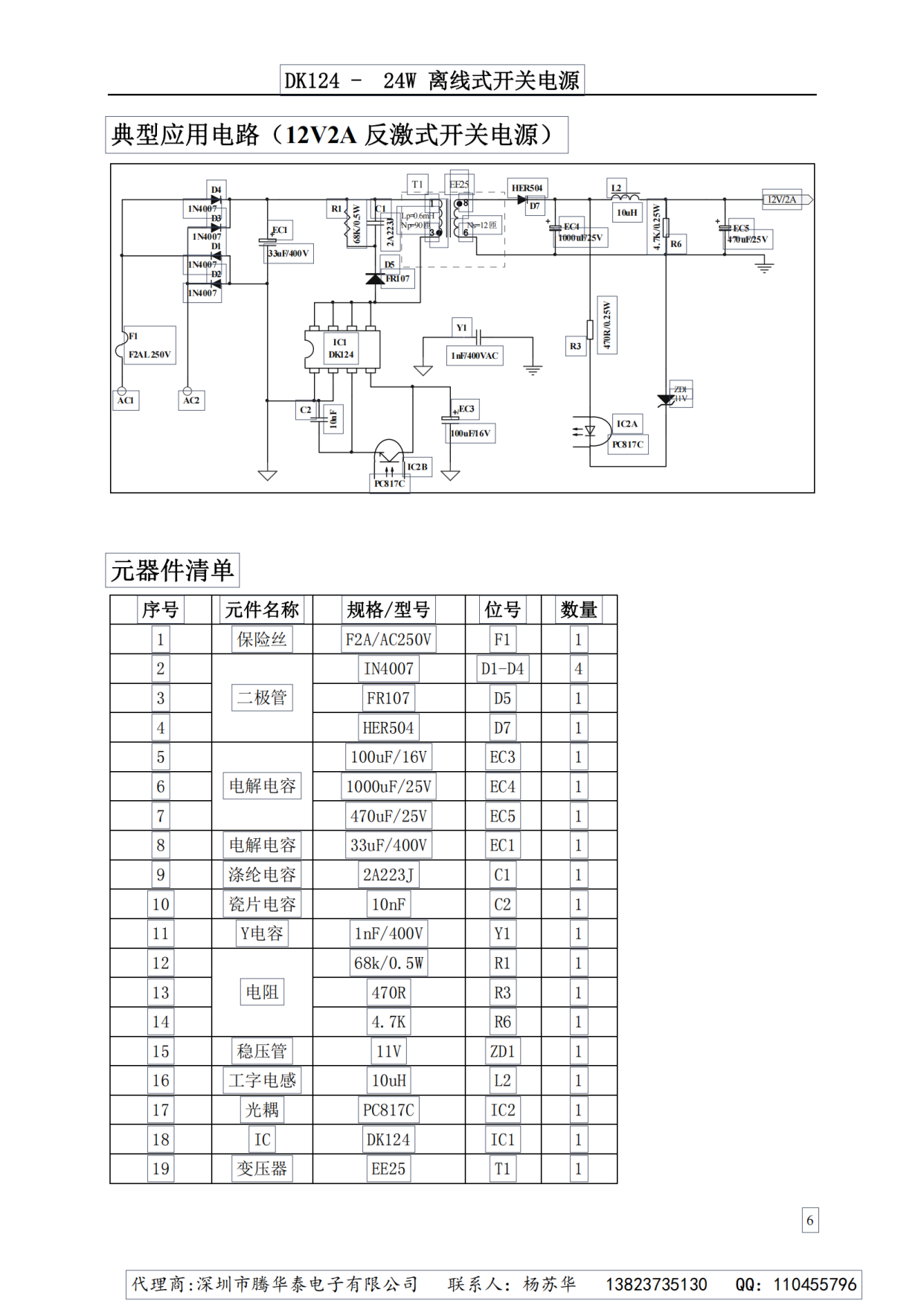
dk124芯片

dk124 一款离线式开关电源芯片,最大输出功率达到24w
图片尺寸1242x1756
dk124 封装dip-8 24w离线式开关电源芯片 dk/东科 原装正品-阿里巴巴
图片尺寸360x360
2万pcs厂家直销东科dk124充电器开关电源ic芯片原装现货24w dip-8¥0.
图片尺寸800x800
全新促销dk124直插dip8开关电源芯片icled照明集成电路ic
图片尺寸800x800
电源ic芯片 dk124 12v2a dip-8 替代csc7224-阿里巴巴
图片尺寸360x360
原装东科正品 dk106 dk112 dk124 dk125 dk1203 dip8开关电源芯片
图片尺寸360x360
dk106 dk112 dk124 dk125 dk1203 直插dip8 开关电源芯片ic-阿里巴巴
图片尺寸360x360
东科dk112 dk124 dk106 dk125 dk1203 dip8 开关电源控制芯片
图片尺寸360x360
ob2338sp ob2338 ob2338sp-h dip-7 液晶电源管理ic led驱动芯片
图片尺寸360x360
东科一级代理 dk124 24w电源ic 适配器开关电源管理芯片方案
图片尺寸360x270
氮化镓电源芯片 dk025g 规格书资料
图片尺寸1654x2339
dk125 是次级反馈反激式 ac-dc 离线式开关电源控制芯片 - 芯片
图片尺寸1072x1546
aon2405 dfn2*2b封装 -20v/-8a p沟道mos管-阿里巴巴
图片尺寸800x800
供应24w电源管理芯片dk124
图片尺寸800x555
dk12424w东科dk离线式开关电源东科一级代理奥伟斯科技
图片尺寸600x324
高性价比的充电管理芯片 chk8108 【真正全新原装!一换即好!
图片尺寸220x220
产品描述分享dk124是一款离线式开关电源芯片.
图片尺寸594x479
dk一级代理 电源管理芯片ic dk124 dip 24w 12v2a
图片尺寸350x350
深圳市腾华泰电子有限公司主营:dk112,dk1203,dk124全国可售卖地999
图片尺寸631x905
戴维贝拉dk1247908
图片尺寸350x350