dp接口接线图

dp接口引脚图dp接口定义引脚说明接线图
图片尺寸640x400
dp通信多联机接线简图.下一期更新视频详细教学#电气控制 # - 抖音
图片尺寸1080x1920
profibusdp网络故障处理培训课件
图片尺寸800x600
dp接口及传输线理解.pdf
图片尺寸960x1357
profibus-dp总线连接器终端电阻的作用_接线图分享
图片尺寸682x405
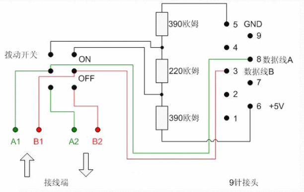
dp插头接线图及其原理
图片尺寸479x337
profibus-dp主站转ethernet/ip网关profibus-dp总线电缆
图片尺寸542x304
网卡及电缆 6es7 972-0bb60-0a0 263进 6es7 972-0cb20-0a0 usb接口
图片尺寸607x379
profibus dp接线方法
图片尺寸614x590
上位机主站从站profibusdp连接疑问
图片尺寸612x387
dp接口怎么转成edp接口,接线怎么连?
图片尺寸527x349
vga/dvi/hdmi/dp接口知识全详解
图片尺寸1204x564
1,profibus接口图2-3 pctg-8014 profibus接口连接建议网关在连接
图片尺寸850x617
dp网络接线
图片尺寸1277x881
艾莫迅兼容西门子dp接头485插头profibus总线连接器35度90度972-0ba12
图片尺寸790x1097
避坑指南2021年分水岭般的4k60p
图片尺寸344x509
profibusdp(主站)转profinet网关功能与配置详解
图片尺寸703x500
51-硬件设计-dp转hdmi接口电路,线序问题_dp转hdmi接线图-csdn博客
图片尺寸587x276
dp总线接头与第三方dp仪表接线端子连接
图片尺寸492x271
dp公对公高清线displayport线1.2版4k60hz镀锡铜dp对dp电脑连接线
图片尺寸360x360