f1c100s原理图

基于f1c100s的linux开发板
图片尺寸4677x3305
f1c100s sch iamliubo
图片尺寸1941x1366
自制f1c200sdemo板一电路
图片尺寸1232x866
f1c100s 电路板lcd驱动器发热问题
图片尺寸548x374
为了精华特意制作f1c200s-mp4播放器,支持硬件h264(开源板子和原理给
图片尺寸1175x843
f1c100a播放器原理图pcb文件共享
图片尺寸916x576
全志f1c100s使用记录资料索引与基础说明
图片尺寸4963x3509
f1c100s的spi0引脚是否可以换成pd那一组?
图片尺寸635x625
杰狮豪华版s100整车电器原理图
图片尺寸5035x1192
f1c100s驱动st7789v的问题
图片尺寸1200x724
唱戏机电路图c100-bmc171-v3原理图.pdf_求f1c100a图纸!
图片尺寸500x469
gsm模块单元(sim900a)
图片尺寸782x454
东方红lx-1000拖拉机电控系统故障诊断
图片尺寸1493x1819
okxx18-c如下图所示,需要空焊u15,r143,r148,r155,r156,c95,c99,c100
图片尺寸773x591
转速单闭环系统原理图
图片尺寸995x708
全志f1c100
图片尺寸762x425
星球sl100收录机原理图
图片尺寸1806x1245
讨论白金电鱼机的制作技巧 bbs.dianyuan.com 宽585x557高
图片尺寸585x557
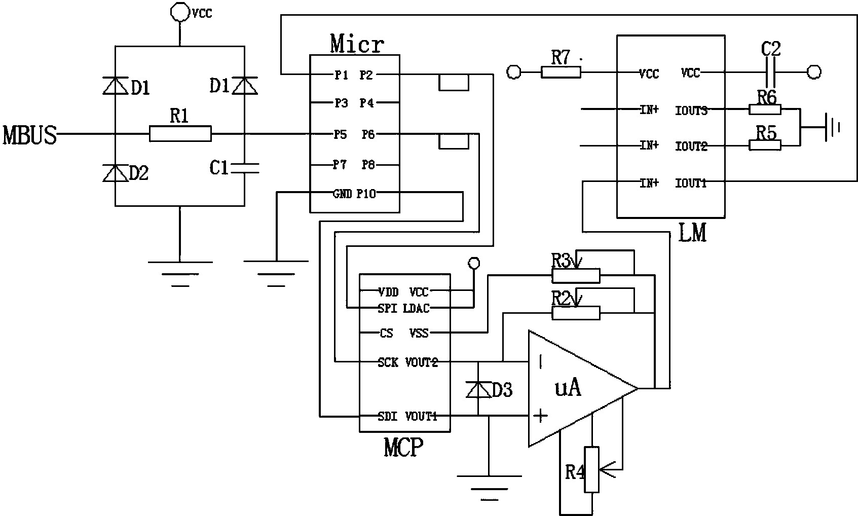
一种mbus通讯热量表数据采集控制器接收电路
图片尺寸1693x1018
力帆100弯梁车磁电机出来的4根线接法
图片尺寸1415x856