f9530n参数引脚图

irf9530nstrr pdf datasheet浏览和下载
图片尺寸850x1100
irf9530
图片尺寸1567x2020
irf9530nstrrpbf
图片尺寸816x1056
型号:irf9530n 品牌:ir 封装:to220 说明:原装正品 现货交易 参
图片尺寸612x800
irf9530nstrlpbf
图片尺寸816x1056
产品详细信息
图片尺寸750x816
iw4030bn pdf下载_iw4030bn供应商_pdf文件在线浏览页面【1/4】-天天
图片尺寸977x1467
430-1114-5.0-55 to 175300 (1.6mm from case )10 lbf in (1.
图片尺寸316x352
b,fu2/l无保险管时,,j端子和com端子为开关量输出; (3)接线端子out 为
图片尺寸336x246
fsbb30ch60ct pdf下载及第2页内容在线浏览
图片尺寸1009x1370
irf9530
图片尺寸760x988
电流在3a以下,外径42-86mm的各种型号 a target="_blank" href="/item
图片尺寸497x597
展开全部 f_usb30 (usb 3.0接口扩展插座)——直接插机箱上的usb 3.
图片尺寸1297x625
产品信息
图片尺寸420x280
cc2530f256rhar技术资料动能世纪射频ic
图片尺寸669x643
haier/海尔 qe636b20y/液化气 燃气灶嵌入式/猛火钢化玻璃灶
图片尺寸790x1299
超全开关·插座接线干货知识~ - 佛山市松芝科技有限公司
图片尺寸1080x795
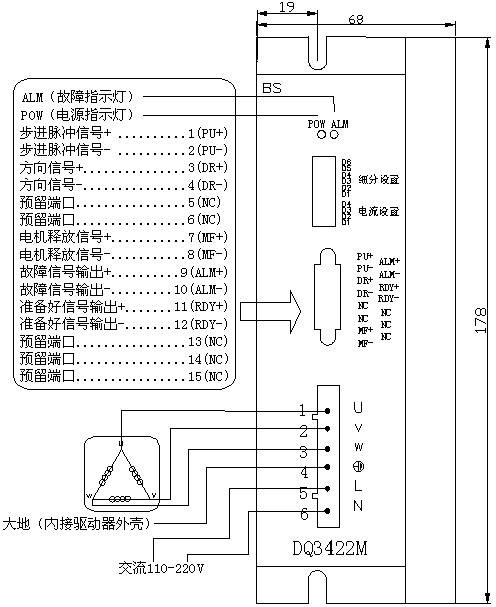
dq3422m
图片尺寸496x607
超全开关·插座接线干货知识~ - 佛山市松芝科技有限公司
图片尺寸1080x795
csjx cd4030c 物理尺寸 英寸(毫米),除非另有说明 14引脚小外形封装
图片尺寸850x1100