fan7930c外围电路图

fan7930cm pdf下载及第2页内容在线浏览
图片尺寸1010x1370
fan7930bmx pdf下载及第2页内容在线浏览
图片尺寸1010x1370
fan7930bmx pdf下载及第18页内容在线浏览
图片尺寸1010x1370
fan7930cmx pdf下载及第18页内容在线浏览
图片尺寸1010x1370
fan7930b fan7621-24v8.3a
图片尺寸1835x1178
fan7930c 120μa20v soic8 fairchild 集成电路ic
图片尺寸637x371
又调头看电路图,发现fan7930vcc脚过去经过三极管后直接接的是ledvcc
图片尺寸280x246
fairchildfl7930b和fan621s150wled街灯照明电源解决方案
图片尺寸540x215
fl7930c pfc应用电路图 采用fl7930b和fan7621s的150w led街灯照明
图片尺寸455x279
fan7930c为核心的pfc电路工作原理及各引脚功能介绍_哔哩哔哩_bili
图片尺寸1920x1080
液晶电视易损集成电路fan7530fan7602bbmxfan7930ir2184sfa5571n
图片尺寸2398x1333
fairchildfl7930b和fan621s150wled街灯照明电源解决方案全文
图片尺寸444x345
液晶电视易损集成电路fan7530fan7602bbmxfan7930ir2184sfa5571n
图片尺寸2268x1364
液晶电视易损集成电路fan7530fan7602bbmxfan7930ir2184sfa5571n
图片尺寸1531x1046
fanuc0imatemdtd综合接线图
图片尺寸1080x4806
单片机外围电路.jpg
图片尺寸3065x1908
fairchildfl7930b和fan621s150wled街灯照明电源解决方案
图片尺寸415x250
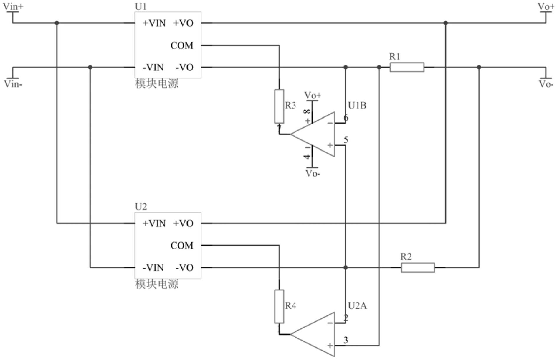
模块电源外围均流电路
图片尺寸1891x1221
外围电路图
图片尺寸625x482
求助fan7530集成电路的应用电路图
图片尺寸756x492