flash芯片原理图

1 tiny4412原理图tiny4412硬件上没有原生支持的spi flash设备,如下图
图片尺寸1366x529
an0042at32扩展flashspim应用指南
图片尺寸1080x470
stm32usbspiflash简易u盘设计
图片尺寸1891x1261
stm32mp3flash16p简单使用源码
图片尺寸827x485
【成功案例】兆易创新spi nor flash芯片gd25q32csig用于ktv点歌设备
图片尺寸775x354
给予stm32f103ret6的最小系统加nandflash原理图
图片尺寸1027x579
1支持的频段:supports aac&sbc存储器:flash 4mcpu:32-bit dsp描述
图片尺寸3239x2550
06w25q64flash存储器芯片
图片尺寸735x503
rtthread应用讲解norflash
图片尺寸769x488
wt55u0220sswt588d下载芯片flash下载芯片usb驱动芯片
图片尺寸903x667
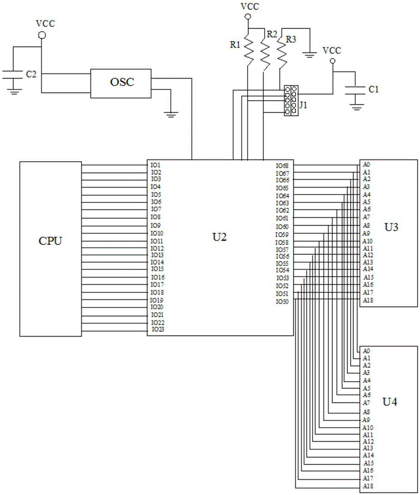
一种大容量norflash存储芯片及其扩展方法
图片尺寸848x1000
nand flash芯片的接线原理图
图片尺寸1139x998
flashpwm语音模块声明:本文内容及配图由入驻作者撰写或者入驻合作
图片尺寸790x505
s5pv210系列裸机十四之nandflash
图片尺寸1048x716
根据nand flash的芯片手册,一般的过程是:怎么操作nand flash呢?
图片尺寸918x567
cc2530是ti推出的一款zigbee芯片,256kflash,8krom,是目前应用比较
图片尺寸650x367
sram为2k(注意不能超过),flash为64k,如果需要外界flash芯片可以使用
图片尺寸1332x679
nand flash是一个存储芯片引脚图主芯片连接引脚nand flash引脚:引脚
图片尺寸1006x926
1.4 flash芯片原理图
图片尺寸650x401
外围设计原理图说明:epad 可以不焊接到底板,但是焊接到底板的 gnd
图片尺寸1049x932