fpc连接器结构

一种下沉式fpc连接器安装结构-爱企查
图片尺寸1755x1125
0mm间距 ffc/fpc扁平电缆插座 2p 连接器 下接 翻盖-阿里巴巴
图片尺寸360x360
一种新型fakra连接器
图片尺寸1710x990
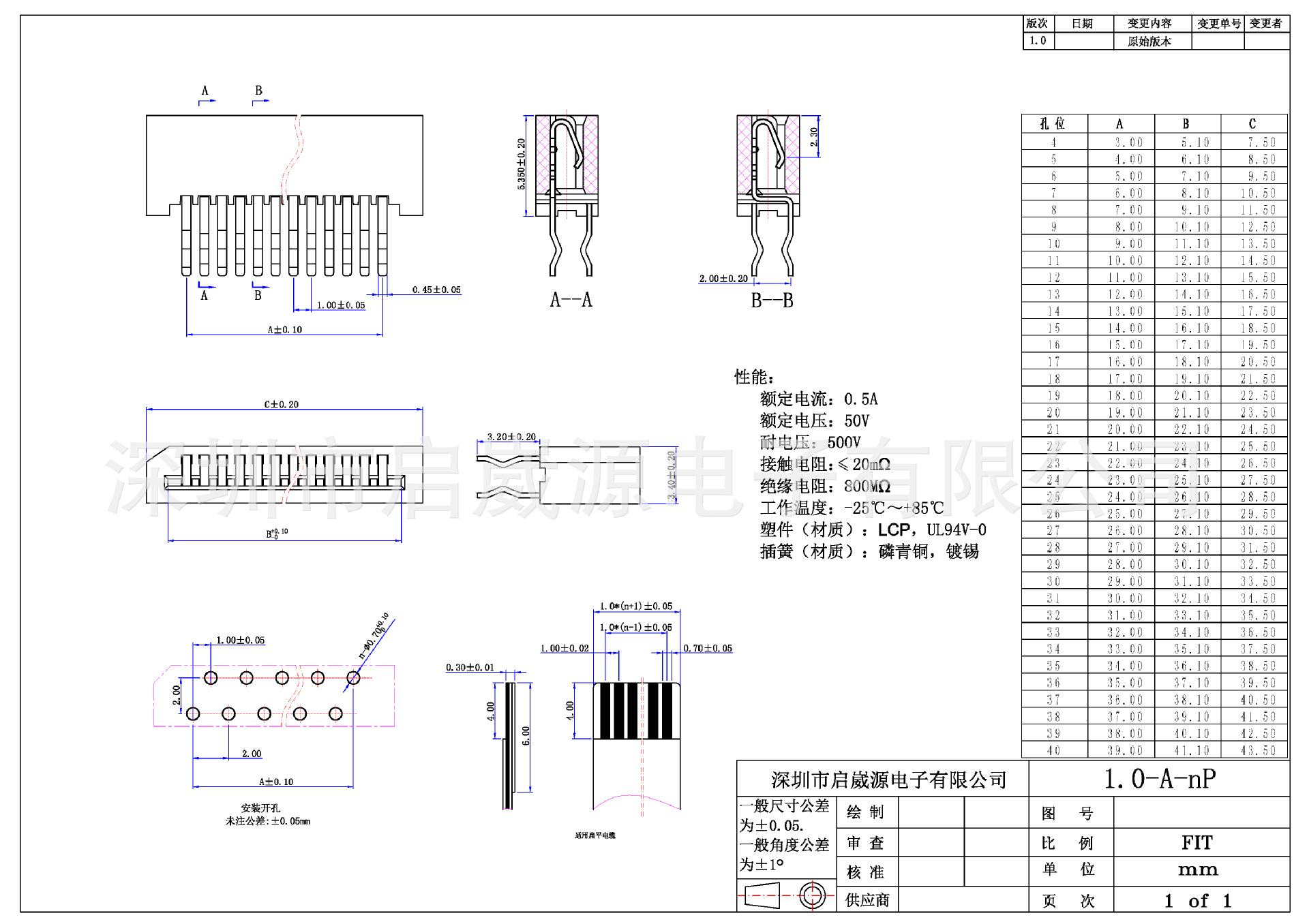
fpc连接器 1.0单面接 直插 14p 20p 环保 耐高温 ffc软排线插座
图片尺寸1920x1356
fpc/ffc 连接器 间距0.5mm 翻盖下接 6p/10/20/26/30/45/50/54p
图片尺寸800x477
适用于5g毫米波的天线模块用基板对fpc连接器 | 松下电器机电(中国)
图片尺寸1350x600
fpc连接器1.25c-npl.jpg
图片尺寸630x519
fpc/ffc软排线 连接器 0.5mm-4/5/6/7/8/10/14/16/20/26/30/4 0.
图片尺寸749x1066
连接器知识ppt
图片尺寸1080x810
特加特|fpc/ffc 扁平电缆线连接器 0.5mm 40pin 下接抽屉式
图片尺寸992x1403
经管营销 生产/经营管理 连接器基础知识ppt 二,连接器的结构 连接器
图片尺寸1080x810
fpc连接器ffc连接器 0 5间距 24p30p40p拉拔式上下接带锁smd
图片尺寸1920x1713
fpcffc连接器知识介绍
图片尺寸659x302
安费诺2.00mm ffc/fpc连接器与自动锁定机制
图片尺寸1080x675
连接器知识及回收知识
图片尺寸800x365
汽车连接器的型式和结构
图片尺寸700x509
广濑电机fh7203mm高fpc保持力连接器的介绍特性及技术指标
图片尺寸468x369
一种无线充电接收端的fpc的制作方法
图片尺寸513x376
2高翻盖 下接6pin镀金smt插座fpc卧式耐高温16p贴片插座
图片尺寸1008x711
fpc连接器电子产业中的明珠
图片尺寸1200x675