gbj2510接线图

图 asemi课堂:gbj2510和gbj2506接线方法
图片尺寸392x233
asemi课堂:gbj2510和gbj2506接线方法
图片尺寸600x370
asemi整流桥gbj2510整流二极管
图片尺寸1100x450
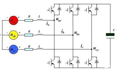
pfc电路spw47n60c3能直接替代ipz60r040c7吗
图片尺寸1318x676
gbj2510 3510电磁炉桥堆 8a/25a/1000v gbu808/810 整流桥器 扁桥
图片尺寸800x800
新房中式创意背景墙贴个性浪漫喜字贴纸橱窗门贴画 gbj2601幸福美满
图片尺寸990x1133
asemi整流桥gbj2510超薄整流桥超乎你想像
图片尺寸730x803
供应10.0安培整流桥堆gbu1002
图片尺寸637x638
gbj2502-g
图片尺寸827x1169
桥堆gbj2510电磁炉25a1000v整流扁桥整流器整流器
图片尺寸800x800
广东省-深圳市-福田区累计成交量:0台湾asemi品牌整流桥堆gbj2510应用
图片尺寸700x700
93相关优惠券gbj2510 3510整流桥器式电磁炉专用桥堆25a 35a gbu808
图片尺寸900x1200
供应gbj2510_电磁炉用电源整流桥_接线图分享
图片尺寸525x492
gbj 2510
图片尺寸640x531
光宝士
图片尺寸1000x1000
gbj2510和二极管接线图
图片尺寸600x277
严格的外检包装程序,保证产品数量准确,包装物破损 gbj2510 外形尺寸
图片尺寸700x347
cjx2-2510_gbj2510_mbdkt2510e_ 2510线 - 下午,发现喜欢
图片尺寸620x826
gbpc3510 整流桥kbpc310,br308,br310 整整流桥gbj2506,gbj2510 整流
图片尺寸690x511
gbj2510_(fuxinsemi(富芯森美))gbj2510中文资料_价格_pdf手册-立创
图片尺寸1300x1300