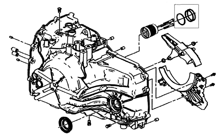
gf6变速箱分解图

gf6变速箱构造剖面图
图片尺寸574x770
分析通用gf6(6t40/45e)自动变速器结构
图片尺寸2130x1531
cvt无级变速箱专题《前进档离合器/倒档离合器及行星齿轮装置》
图片尺寸643x534
通用汽车gf6变速箱培训手册pdf78页
图片尺寸792x1120
三句话浅谈双离合与at变速箱,一句话总结
图片尺寸700x522
变速箱内部
图片尺寸680x978
【维修案例】通用汽车新一代gf6自动变速器故障两例
图片尺寸747x464
变速箱内部
图片尺寸680x952
五种变速器,带你更了解汽车的变速箱好坏!
图片尺寸588x345
三句话浅谈双离合与at变速箱,一句话总结
图片尺寸700x533
gf6变速箱结构及原理
图片尺寸920x1192
at,dct,amt,cvt变速箱哪些会被淘汰,哪种能一直沿用下去
图片尺寸960x543
变速箱分解图: 江淮ml642分解图,万里扬6g40分解图, - 抖音
图片尺寸825x557
变速箱内部
图片尺寸900x1359
本田雅阁变速箱分解图 - 抖音
图片尺寸1242x1803
gf6变速箱电液控制原理
图片尺寸1080x810
cvt变速箱和at变速箱,你怎么看?选车时,这些知识点你要掌握
图片尺寸671x390
汽车的变速箱应该如何保养?变速箱又分为哪些,又该如何认识它们
图片尺寸640x513
通用gf6变速器深度图文解析6t40 45 50e变速器倒档不走没有前进挡
图片尺寸640x556
汽车变速器哪家强?at,cvt还是双离合,今天让你看个明白!
图片尺寸1181x709