h4线组接线示意图

h4摆角灯接线图
图片尺寸670x442
黑卫士led解码器h4线组4近4远线组
图片尺寸790x1061
应h4线组的接线图
图片尺寸700x525
hid氙气灯双光透镜线组h4多功能加长线.#好物推荐97 # - 抖音
图片尺寸727x727
汽车大灯hid氙气灯h4h13/9004/9007灯泡继电器线组远近光调节器
图片尺寸750x624
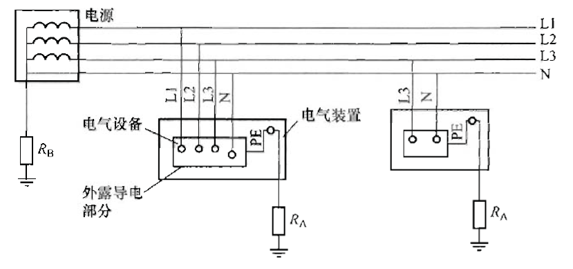
三相四线制
图片尺寸597x416
德力西四联接线
图片尺寸421x557
汽车大灯hid氙气灯h4h13/9004/9007灯泡继电器线组远近光调节器
图片尺寸750x624
三相四线制
图片尺寸829x389
rhobinln的美篇
图片尺寸1791x907
主要用于环型总线组网
图片尺寸1024x682
主要用于环型总线组网
图片尺寸916x594
user-20190428nidesktop学好变频器,先从主电路与控制线路的接线
图片尺寸640x350
40v电压未稳压或波动的12v至24v输入电源
图片尺寸555x525
并网接线图_接线图分享
图片尺寸800x600
热电阻测温原理及其引线方式分析
图片尺寸1000x425
24v12v氙气灯h4控制器伸缩摆角一拖二变光线组双光透镜疝气灯线组
图片尺寸800x800
汽车h4控制线组hid氙气大灯12v24v继电器线束摆角伸缩变换远近光
图片尺寸800x800
激光led双光透镜变光线组h4通用一拖二环12v榕山线束矩阵大灯供电
图片尺寸800x800
h4变光线束 氙气大灯变光控制器线组hid远近光控制变光35w55w
图片尺寸800x800