hcpl316j

电藕光合器a316jhcpl316j
图片尺寸517x418
光耦hcpl-316j的应用
图片尺寸594x223
用hcpl316j做驱动老是输出短路保护请大家帮忙看看
图片尺寸804x510
broadcom光耦hcpl316j000ebicmosdmos输出16引脚soic封装
图片尺寸444x309
hcpl316j datasheet(5/33 pages) hp | 2.
图片尺寸918x1188
光耦hcpl316j参数附pdf
图片尺寸510x311
hcpl316j数据表pdf20pageagilenthewlettpackard
图片尺寸918x1188
品概述描述的hcpl- 316j是一种高度集成的功率控制器件这包括了所有的
图片尺寸786x489
hcpl314j型04安培输出电流igbt门极驱动光耦
图片尺寸464x235
hcpl316j内部结构及工作原理
图片尺寸248x263
hcpl-314j-300
图片尺寸1275x1650
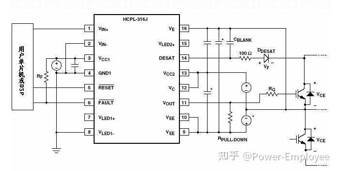
浅谈hcpl316j的应用设计
图片尺寸1879x967
光耦hcpl316j的应用
图片尺寸238x214
浅谈hcpl316j的应用设计
图片尺寸697x352
hcpl314j型04安培输出电流igbt门极驱动光耦
图片尺寸489x597
浅谈hcpl316j的应用设计
图片尺寸579x205
浅谈hcpl316j的应用设计
图片尺寸2009x1424
hcpl-316j 原装全新 a316j sop-16 igbt驱动光电耦合器
图片尺寸800x800
用hcpl316j做驱动老是输出短路保护请大家帮忙看看
图片尺寸859x352
浅谈hcpl316j的应用设计
图片尺寸467x359