hk19fdc12vshg接线图

hk 19f 型号的继电器让电机正反转怎么接线?急用
图片尺寸437x238
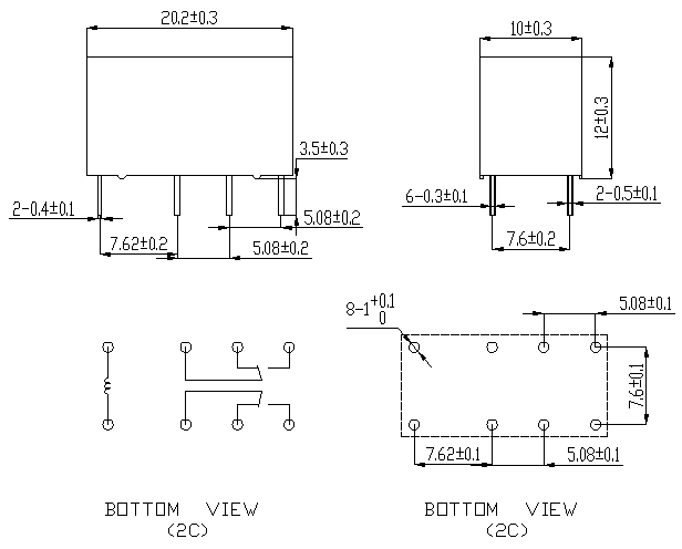
hk19f-12v dpdt继电器_引脚配置_应用领域
图片尺寸740x516
10pcs/lot hk19f-dc12v-shg power relays 8 pin power relays hk
图片尺寸1002x1002
变频器接线图大全
图片尺寸1080x810
hk19f-dc12v-shg huike original signal relay 8-pin 1a, hk19f
图片尺寸800x800
hk19f-12v dpdt继电器_引脚配置_应用领域
图片尺寸531x351
外接dc12v直流稳压电源接法示图
图片尺寸476x415
利雅路燃烧器fs20接线图说明
图片尺寸580x800
汇科hk14fddc24vshg两组转换5a电流控制电压小型功率继电器
图片尺寸750x900
全新hk19fdc5vshghk19fdc12vshg继电器hk19fdc5vshg5只
图片尺寸616x496
hk19f-dc24v-shg 2a 24vdc 8脚 huike汇科信号继电器全新原装正品
图片尺寸640x360
珠峰变频器在恒压供水中的应用
图片尺寸1861x1106
汇科hk19f-dc5v-shg hk19f-dc12v-shg hk19f-dc24v-shg 5v12v24v
图片尺寸800x800
hkc1-1l-140 单水泵控制器
图片尺寸1779x904
nohmi能美fdc12z点型红外火焰探测器接线示意图
图片尺寸541x313
继电器hk19f-dc5v-shg hk19f-dc12v-shg hk19f-dc24v-shg 3v
图片尺寸800x800
代理汇科hk19fdc5vshg hk19fdc12vshg hk19fdc24vshg 5v12v24v
图片尺寸800x800
卡特c9发动机ecu 电控系统接线图
图片尺寸1453x1923
小型继电器hk19f-dc12v-shg 3v 5v 9v 24v 8脚 2a 二开二闭
图片尺寸3024x3024
原装汇科继电器hk23f-dc5v-shg hk23f-dc12v-shg一开闭2a 6脚现货
图片尺寸800x800