hs1527遥控电路图

hs1527
图片尺寸865x292
学习型遥控器原理图
图片尺寸3195x2522
一款空调遥控器电路遥控电路
图片尺寸1293x853
ev1527发射电路
图片尺寸945x942
遥控器部分电路图遥控电路
图片尺寸488x366
hs1527
图片尺寸895x323
基于开关电源的无线智能家居控制系统
图片尺寸400x505
pc遥控器电路
图片尺寸634x480
彩电遥控器电路图
图片尺寸361x890
简易遥控开关电路图遥控电路
图片尺寸646x382
这是个遥控开关的原理图,大家帮我分析此电路! 谢谢
图片尺寸682x426
红外线遥控器
图片尺寸711x502
我想问遥控开关
图片尺寸1345x1189
匙扣式无线编码遥控器电路图二
图片尺寸535x389
匙扣式无线编码遥控器电路图一
图片尺寸753x310
五通道航模遥控器的电路图
图片尺寸760x571
无忧文档 所有分类 工程科技 电子/电路 五通道无线电遥控器原理图
图片尺寸1175x459
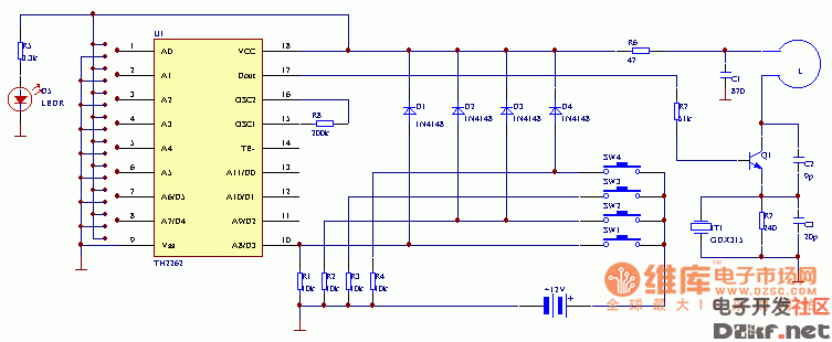
想找一款多路无线编码ic,用hs1527也可以,但就是要外加好多二极管.
图片尺寸1022x842
ev1527无线遥控编码芯片兼容fp527hs1527射频遥控器芯片
图片尺寸1119x503
红外遥控器扩展电路图
图片尺寸696x467