ht46r004应用电路图

ht46r46构成的充电器应用电路
图片尺寸809x796
ttl集成逻辑门电路的应用
图片尺寸451x524
lnk626pg应用电路图,lnk626应用电路图_大山谷图库
图片尺寸1137x485
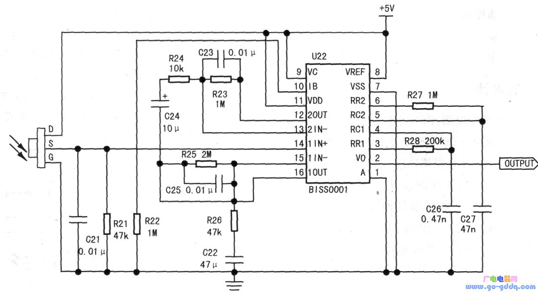
电子网-空调,冰箱,彩电,洗衣机,电磁炉维修资料,集成块资料,电路图纸
图片尺寸1485x933
应用设计竞赛(复赛报告) 在本作品的开发设计过程中,ht46f49e单片机
图片尺寸449x321
基于微机电系统运动传感器在人体运动测量中的应用
图片尺寸1082x590
ht6221这个mcu芯片有人做过16按键的遥控器吗
图片尺寸939x802
ht46r47之锂电池充电器演示版-电子电路图,电子技术资料网站
图片尺寸897x733
图6 典型应用电路
图片尺寸1200x802
ht46r064b贴片sop16直插dip16增强8位单片机芯片全新集成电路ic
图片尺寸800x800
max13487典型应用电路图
图片尺寸699x307
计重计数电子秤-单片机原理与应用-电子发烧友网站
图片尺寸538x465
tl494逆变器应用电路图
图片尺寸740x401![etc [ etc ]品牌:文件页数/大小:103 页 / 2274 k分类和应用:内容描述](https://i.ecywang.com/upload/1/img0.baidu.com/it/u=3695366617,1502731614&fm=253&fmt=auto&app=120&f=JPG?w=354&h=500)
etc [ etc ]品牌:文件页数/大小:103 页 / 2274 k分类和应用:内容描述
图片尺寸827x1169
图9. hv9861a直接降压式电路图
图片尺寸524x305
ht46r73d-3应用电路图
图片尺寸451x524
电路的反向泄漏小于肖特基二极管.
图片尺寸552x221
uc3845应用电路原理图
图片尺寸620x385
直针 供应ic插座 厂家直销 现货销售 gl850g 封装qfp48 集成电路(ic)
图片尺寸1019x492
图3 单片机原理电路
图片尺寸724x554