ht46r065b应用电路图

图6 典型应用电路
图片尺寸1200x802
ht46r53aht46r54a集成电路
图片尺寸800x540
ht46r46构成的充电器应用电路
图片尺寸809x796
采用单电源时的应用电路
图片尺寸621x326
ht46r065b pdf datasheet浏览和下载
图片尺寸827x1169![etc [ etc ]品牌:文件页数/大小:103 页 / 2274 k分类和应用:内容描述](https://i.ecywang.com/upload/1/img0.baidu.com/it/u=3695366617,1502731614&fm=253&fmt=auto&app=120&f=JPG?w=354&h=500)
etc [ etc ]品牌:文件页数/大小:103 页 / 2274 k分类和应用:内容描述
图片尺寸827x1169
dvd电路图1
图片尺寸1077x805
康佳电路图
图片尺寸1542x456
电源噪声滤波器应用电路图
图片尺寸600x625
sg6105电脑开关电源电路图
图片尺寸1404x955
第1页) 你可能喜欢 电脑开关电源维修 atx电源原理与维修 看懂电路图
图片尺寸1436x2489
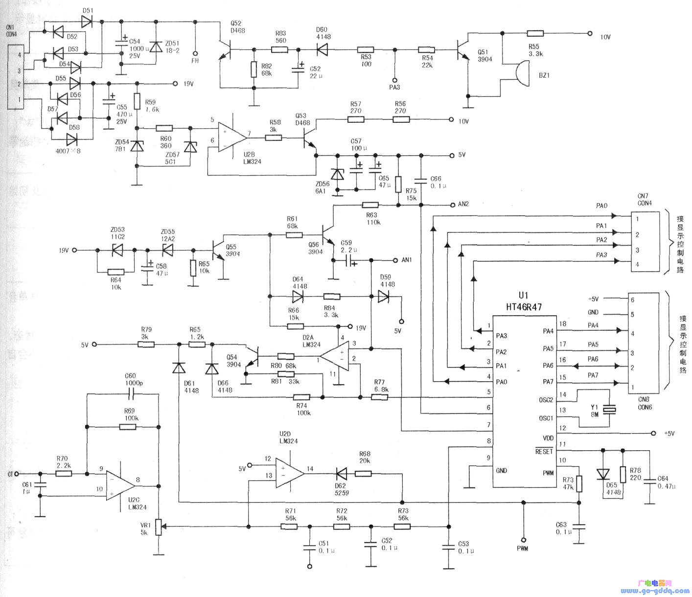
ht46r47之锂电池充电器演示版-电子电路图,电子技术资料网站
图片尺寸897x733
图9. hv9861a直接降压式电路图
图片尺寸524x305
在尚朋堂sr-1625b电磁炉上的应用电路
图片尺寸1414x1220
这样连接ht1621b可以了吗?
图片尺寸1211x740
高频电磁感应加热,电气是如何控制的?
图片尺寸964x600
有人用hb6266a电源管理芯片做过电源吗求分享经验
图片尺寸1179x589
汽车音响ta2041型四声道btl音频功率放大集成电路典型应用电路图
图片尺寸1632x2705
二,电路设计
图片尺寸1304x583
用ht46r23制作宽量程温度表
图片尺寸1517x2144