ht7333原理图

ta7333p发射机电路
图片尺寸907x614
电源篇降压电路ldo工程师原创应用笔记
图片尺寸416x263
ht73333数据表pdf11pageholteksemiconductorinc
图片尺寸918x1188
tps7301和tps7333的连接
图片尺寸600x663
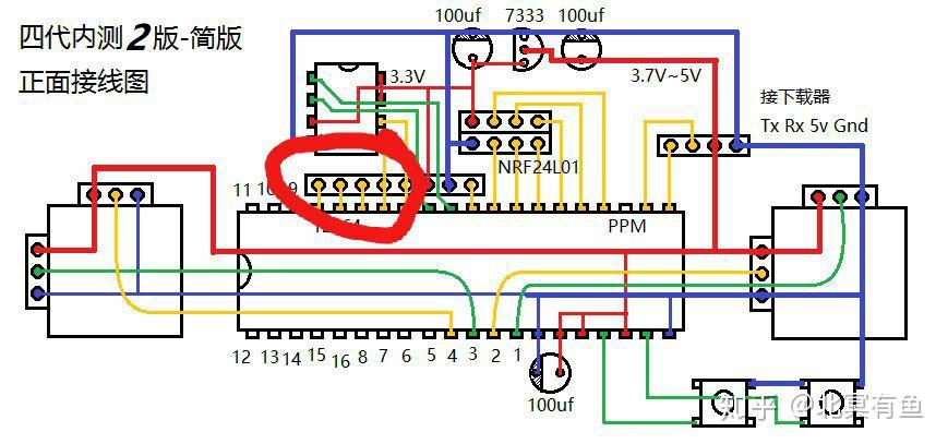
断更航模日记萝丽航模遥控器自制心得
图片尺寸869x407
ht7333-a ht7333 sot-89贴片 holtek/合泰 稳压ic芯片 全新现货
图片尺寸360x360
原理图电路分析发挥项:在于两车的协同,从车使用一个k210及七路红外
图片尺寸404x295
3v输出的选择低静态电流的ht7333-32.
图片尺寸1061x930
飞利浦93r机芯彩电行/场/保护电路原理-电源电路-电路图-华强电子网
图片尺寸933x493
ht7033 ht7333 ht7336 封装sot-89-阿里巴巴
图片尺寸360x360
郑忠丨感谢我人生的第五个大学艺术人生的一个驿站中国美院
图片尺寸960x1280
ht7136 ht7150 全新原装 ht7130 ht7133 ht7327 贴片sot89-阿里巴巴
图片尺寸360x360
ht7333sot89合泰超低功耗的低压差稳压ic
图片尺寸583x601
ht7333-3 sot-89-3 低压差线性稳压(ldo) 低功耗稳压芯片-阿里巴巴
图片尺寸360x360
http报文解析
图片尺寸650x462
10pcshighqualityht7333-a7333-aht7333ht7333a-1to92low其他diy饰品
图片尺寸1002x1002
ht7333
图片尺寸850x1100
贴片ht7333-a 低压差稳压电路 sot-89
图片尺寸800x800
专利ep0973335a1 - signal transmission system - google 专利
图片尺寸1856x2752
ht7033a-1
图片尺寸892x1263