igbt接线图讲解

330v-420v vfb 右下管 3 0 ff200r1 - 抖音
图片尺寸1157x853
变频器igbt模块特征及应用技术
图片尺寸507x382
igbt接线
图片尺寸398x232
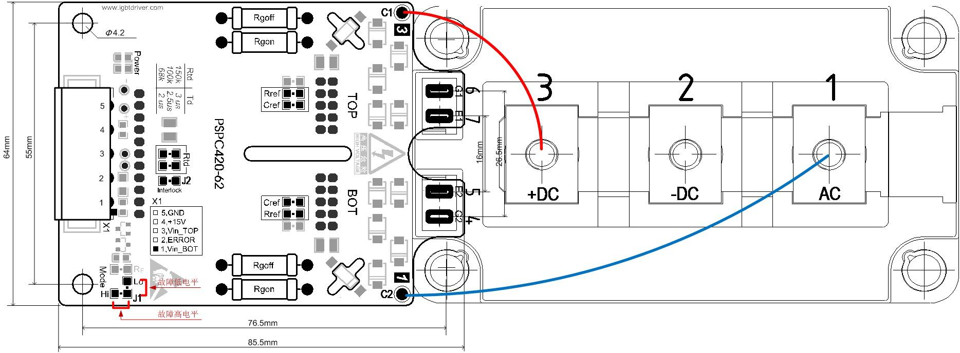
txkal01igbt驱动器的应用接线图
图片尺寸1801x1001
igbt电焊机接线
图片尺寸3437x2480
对比不同的igbt的参数; 2.评估igbt驱动板的功能和性能; 3.
图片尺寸758x431
igbt热仿真软件操作方法
图片尺寸1080x810
igbt逆变焊机接线图
图片尺寸585x419
在igbt 驱动电路中的应用_接线图分享
图片尺寸859x344
igbt驱动 1
图片尺寸1868x688
ff400r12ke3 英飞凌/ infineon 两单元400a/1200v igbt模块资料
图片尺寸389x219
igbt驱动电路图
图片尺寸387x273
igbt工作原理图
图片尺寸671x243
igbt并联
图片尺寸425x375
富士igbt智能模块的应用电路设计
图片尺寸1221x620
igbt电路原理图
图片尺寸608x316
富士igbt模块6mbp30rh060的驱动电路
图片尺寸531x593
绝缘栅双极型晶体管igbt的保护
图片尺寸500x592
半桥igbt模块
图片尺寸600x400
igbt 驱动电路图
图片尺寸533x358