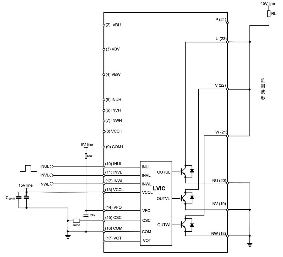
ipm模块引脚功能图

电脑组装cpu装在哪(电脑cpu怎么组装)插图13
图片尺寸790x644![ipm智能功率模块使用手册:[2]](https://i.ecywang.com/upload/1/img0.baidu.com/it/u=2946136320,598513082&fm=253&fmt=auto&app=120&f=JPEG?w=800&h=1132)
ipm智能功率模块使用手册:[2]
图片尺寸2380x3368
ipm模块
图片尺寸450x620![ipm智能功率模块使用手册:[4]](https://i.ecywang.com/upload/1/img0.baidu.com/it/u=913140805,2453142982&fm=253&fmt=auto?w=500&h=708)
ipm智能功率模块使用手册:[4]
图片尺寸2380x3368
1 下位机开发板中stm32f103zet芯片引脚分配图图 6-2-1-1下位机开发板
图片尺寸1020x970
im111-x6q1bnew智能功率模块 (ipm)
图片尺寸930x523
系统电路图ec20管脚分配使用at指令进行拨号,可快速的集成ec204g模块
图片尺寸1624x900
解决方案
图片尺寸500x610
智能功率模块(ipm)为工业设备提供卓越保护-电子发烧友网
图片尺寸1080x460
二,ipm具有以下特征: l 采用汽车spm 27引脚dip封装; l 车规级芯片
图片尺寸576x752
应用600v20a的ipm模块bm64565sva助力750w伺服低损耗小体积设计
图片尺寸532x316
逆变器智能功率模块ipm应用电路设计
图片尺寸493x229
高效ipm(智能功率模块) - 电源设计电子电路基础电源技术信息网站
图片尺寸1581x649
2 绝缘强度ipm模块应能经受住规定的电气强度测试,同时符合电气间隙及
图片尺寸1080x982
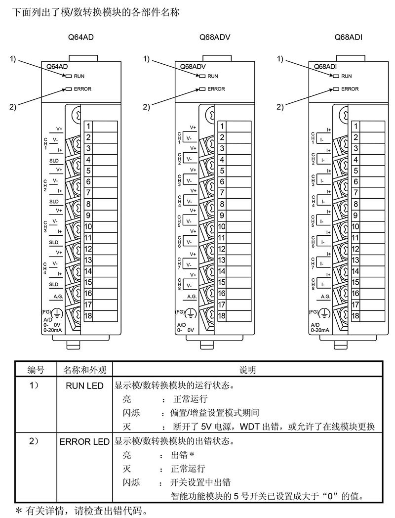
三菱/mitsubishi q64ad模拟量输入模块
图片尺寸800x1048
ipm模块在中频高压电源中的应用
图片尺寸353x244
5款国产arm芯片(对标stm32f103c8t6)测试评估
图片尺寸1193x1444
lm8560集成电路的引脚功能
图片尺寸600x516
西门子数字量信号模块接触图
图片尺寸691x550
安森美半导体应用于白家电的变频器智能功率模块(ipm)技术及方案
图片尺寸600x417