irs2092电路图

d类功放电路原理与维修,irs2092应用电路,电路图,引脚功能详解-教育
图片尺寸1210x602
irs2092s数字功放忒片13脚vs输出电压为365v是什么问题
图片尺寸800x436
高性能d类音频放大器驱动器auirs2092的主要特性及应用
图片尺寸554x325
d类放大器irs2092引脚图电路图与资料手册下载
图片尺寸859x407
想做irs2092sd类功放有问题请教
图片尺寸800x363
高性能d类音频放大器驱动器auirs2092的主要特性及应用
图片尺寸553x333
irs2092功率放大器电路原理图免费下载
图片尺寸1049x605
高性能d类音频放大器驱动器auirs2092的主要特性及应用
图片尺寸553x245
irs2092功放布线真的很重要
图片尺寸800x454
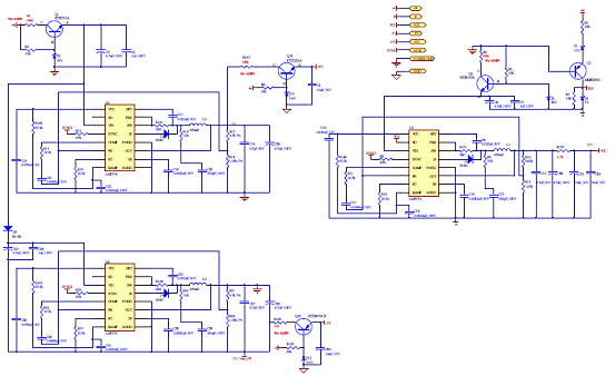
irs2092典型应用电路.png
图片尺寸1383x682
irs2092s d类功放 pdf
图片尺寸779x353
irs2092s使用注意问题(ciass d iraudamp7s) - class-d - d类功放的
图片尺寸750x519
irirs20921700w单路d类音频功率放大方案
图片尺寸553x338
几款不错的场效应管功放电路图
图片尺寸703x487
irs2092集成pwm调制器和保护的高压高性能1700w单路d类音频放大器ic
图片尺寸553x322
数字功放实用电路的设计
图片尺寸974x530![[diy制作] 为什么irs2092的功放在输入端都加一个ne555](https://i.ecywang.com/upload/1/img2.baidu.com/it/u=1190604661,2690917806&fm=253&fmt=auto&app=138&f=JPEG?w=719&h=500)
[diy制作] 为什么irs2092的功放在输入端都加一个ne555
图片尺寸800x556
irs2092strpbf pdf下载及第4页内容在线浏览
图片尺寸1036x1393
d类放大器irs2092引脚图电路图与资料手册下载
图片尺寸942x532
有关irs2092无耦合有干扰的情况
图片尺寸800x436