irs20957s电路图

mos管驱动芯片原理
图片尺寸899x402
液晶彩电伴音处理电路原理分析
图片尺寸1603x1098
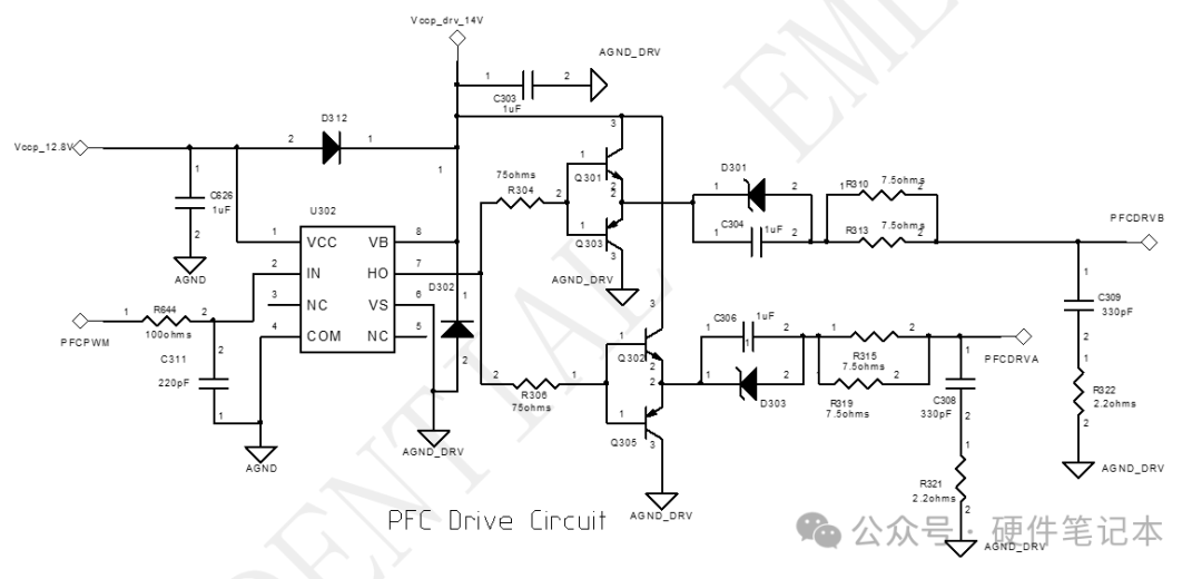
20_电路
图片尺寸2445x1692
高频电磁感应加热,电气是如何控制的?
图片尺寸964x600
几款不错的场效应管功放电路图
图片尺寸709x478
diy恒温器带预置温度
图片尺寸1191x967
捕鱼器-电路图-aet-中国科技核心期刊-最丰富的电子设计资源平台
图片尺寸713x491
带sd功能mos管驱动
图片尺寸800x500
直流有刷电动机驱动电路原理图
图片尺寸1194x1086
用irs21850浮驱芯片,在起机
图片尺寸1080x520
高性能d类音频放大器驱动器auirs2092的主要特性及应用-电子发烧友网
图片尺寸554x325
频繁炸机找原因驱动电路原理分析
图片尺寸628x532
此电路采用一颗ir的汽车级半桥芯片irs2004s作为驱动,并联两个由
图片尺寸565x351
用irs21850浮驱芯片,在起机的过程中会出现异常
图片尺寸744x581
求助dell戴尔hpp2507fwp电脑主机电源线路图
图片尺寸1905x1269
几款不错的场效应管功放电路图
图片尺寸703x487
mos驱动芯片采用英飞凌具有独立高侧和低侧驱动的半桥驱动芯片irs2186
图片尺寸1186x506
一种具有掉电保护功能的复合型开关电源电路
图片尺寸1735x1134
主板功放电路图原理
图片尺寸553x338
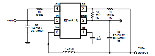
典型应用电路图61便携式仪器61数字电视61安防61机顶盒典型
图片尺寸543x196