jk触发器原理图

一,jk触发器
图片尺寸529x328
一,jk触发器
图片尺寸572x332
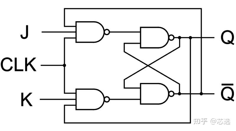
jk触发器求解答 这个怎么可以证明该电路具有jk触发器的逻辑功能啊
图片尺寸1573x1280
jk触发器
图片尺寸492x528
jk触发器
图片尺寸4032x3024
jk触发器
图片尺寸1080x810
> jk触发器
图片尺寸850x553
74ls76 双jk触发器工作原理图
图片尺寸1200x1006
主从jk触发器的电路结构与工作原理解决方案华强电子网
图片尺寸647x309
jk触发器原理图.jpg
图片尺寸674x383
想用分立元件焊一个jk触发器!谁有电路图呢!
图片尺寸3021x2021
jk 触发器
图片尺寸800x444
jk触发器
图片尺寸1711x1516
图5.2.3 主从jk触发器的逻辑图
图片尺寸396x232
jk触发器具有()置1 ,计数 ,保持功能
图片尺寸638x283
主从jk触发器电路及工作原理
图片尺寸398x372
jk触发器原理 jk触发器原理 jk触发器是一种功能较完善,应用很广泛的
图片尺寸562x375
数电专题:jk变t,jk变d,t变d,d变t,d变t,d变jk,t变jk触发器
图片尺寸1440x810
jk触发器三人表决器电路原理图
图片尺寸795x799
用mulitismjk触发器转d触发器,写出设计过程,并仿真实现?
图片尺寸425x214