jy02a应用电路图

jy02a直流无刷无霍尔电机应用原理图-电子电路图,电子技术资料网站
图片尺寸1023x624
jy02转速调节_jy02a-csdn博客
图片尺寸653x511
lm4766功率放大电路应用电路
图片尺寸1261x809
dht11温湿度传感器的应用程序代码免费下载-电子电路图,电子技术资料
图片尺寸709x420
解决单母线分段接线中断路器的拒动故障,提升航管楼供电可靠性
图片尺寸640x745
解决单母线分段接线中断路器的拒动故障,提升航管楼供电可靠性
图片尺寸640x809
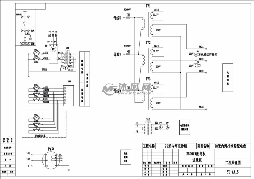
挖沙船配电盘项目电气图
图片尺寸820x579
2a_电路
图片尺寸1563x947
蓝牙模块的电路原理图
图片尺寸759x509
开关柜二次回路,图文解析!
图片尺寸1080x773
开关电源变压器屏蔽层抑制共模emi的研究-aet-电子技术应用
图片尺寸488x253
首页 电源技术 设计应用 100khz/1000w高效全桥软开关稳压电源的试验
图片尺寸289x365
供电电源电路图 - 应用电子电路 - 电子发烧友网
图片尺寸682x444
二用一备软起动控制原理图
图片尺寸752x554
自耦降压启动有一个短接的接触器,为什么不会发生短路?
图片尺寸528x616
图4 uc3854 构成pfc 电路的大屏幕彩电开关电源原理图
图片尺寸630x542
回声信号处理电路pt2399
图片尺寸903x459
主电路原理图
图片尺寸1060x434
谁有电路图呢!
图片尺寸3021x2021
集成功率放大器应用参考电路图
图片尺寸800x480