km接触器接线图

7张图,让你学会接触器接线,不服来战,真的是太实用了
图片尺寸1024x1819
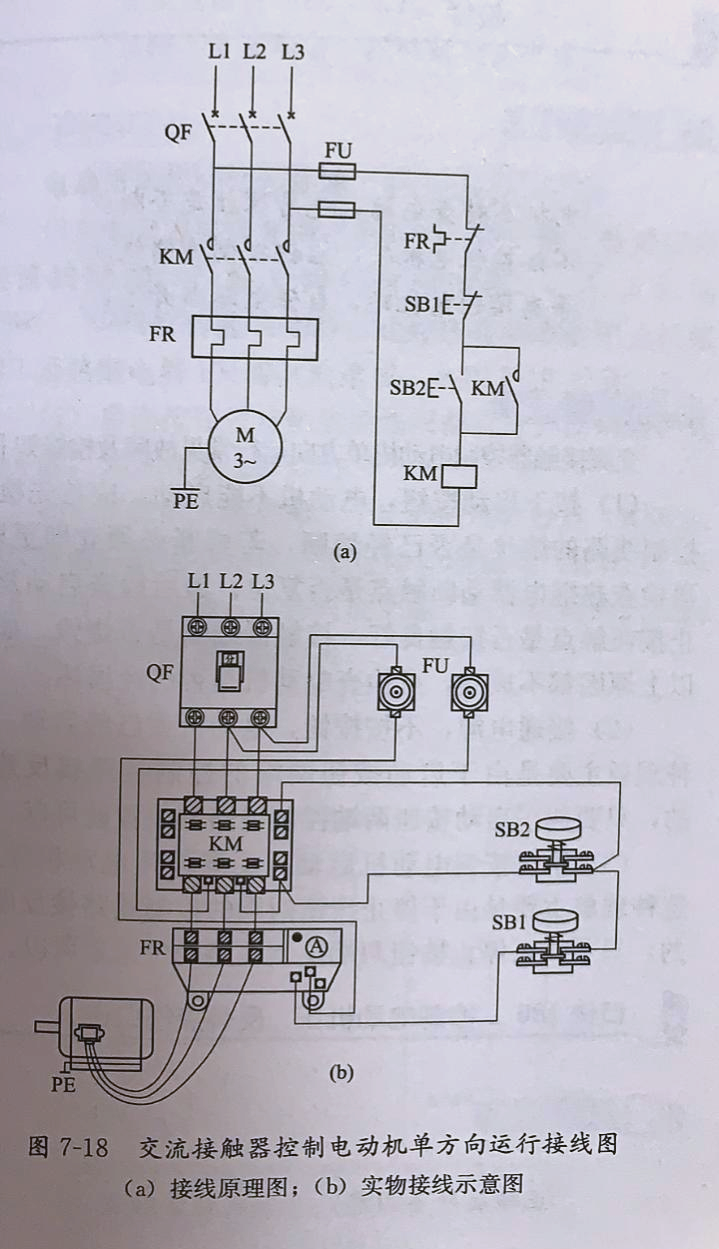
交流接触器控制电动机单向运行线路详解
图片尺寸719x1249
接触器的作用:控制通断,远程控制与自动保护
图片尺寸1080x1322
交流接触器自锁电路实物接线
图片尺寸1008x1792
ka和km的异同点,继电器的作用,接线,好坏判断
图片尺寸3840x4384
1️⃣零线接到接触器的a1,火线
图片尺寸720x1280
顺着电源按顺序把380v电源接到电机上 控制回路:看你选择的交流接触器
图片尺寸1080x1890
线圈电压380伏接触器自锁电路
图片尺寸540x962
两个接近开关,两个继电器,怎么控制交流接触器?
图片尺寸1242x1779
交流接触器多种接线方式详解
图片尺寸1080x1497
220v磁力线圈交流接触器接线教程
图片尺寸1080x1440
接触器控制三相交流电,让你的电机随心所欲启动!
图片尺寸1200x2640
常闭点断开,km1交流接触器失电 1.这是一个控制电机正
图片尺寸1079x1754
交流接触器如何接线(交流接触器简单接线图)
图片尺寸857x1235
我们常见的自锁电路中,热继都是放在接触器的后面,但不是必须放在这里
图片尺寸1688x3000
接触器上端缺相保护接线
图片尺寸720x960
学会2个接触器互锁,正反转电路都是小意思
图片尺寸525x893
确保电气控制系统的稳定运行和可靠性接触器接线图交流接触器接线图
图片尺寸3160x2107
正泰交流接触器 cjx1
图片尺寸750x1040
常见交流接触器接线图
图片尺寸1443x1080