ksd302温控开关原理图

温控器开关接线图及原理手把手教你温控器接线
图片尺寸1920x1080
工作原理是通过温度传感器对环境温度自动进行采样,即时监控,当环境
图片尺寸969x670
温控开关电路
图片尺寸2036x1714
插座式自动温控器电路
图片尺寸964x918
实用温控器电路图
图片尺寸837x417
温控器的应用案例
图片尺寸640x637
可自行设定温控上下限值的温控器电路图
图片尺寸1368x471
温控器接线图
图片尺寸893x434
开水器温控开关烤箱油炸锅旋钮 可调式温度控制器30-110 50-300
图片尺寸750x1260
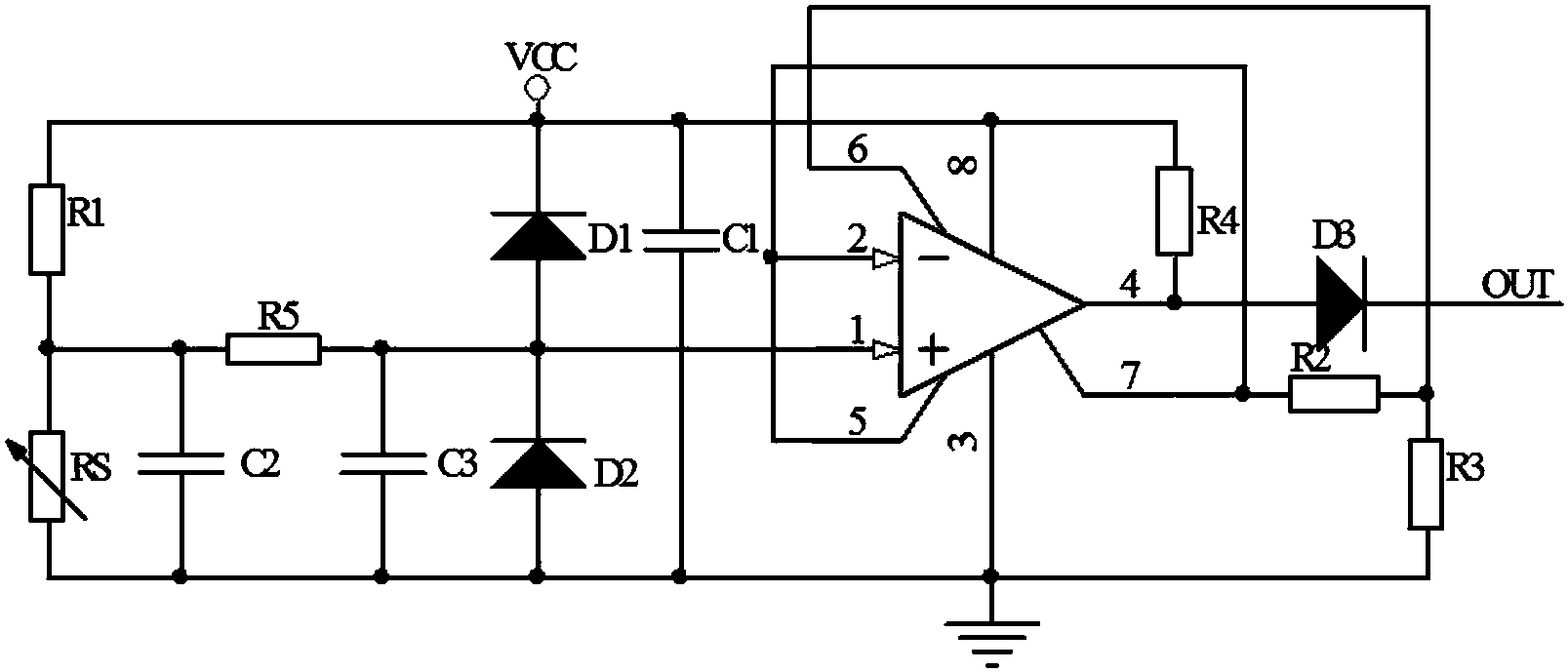
一种电控温控开关电路
图片尺寸1607x689
可任意设置温度的温控器
图片尺寸941x670
温控开关电路的制作方法
图片尺寸1000x843
温控_电路
图片尺寸900x852
相关产品推荐:温度控制器温控器
图片尺寸800x496
温度控制系统电路图
图片尺寸1633x1091
烤箱 烘箱 油炸锅温控开关 开水器温控器可调旋钮110度/300度
图片尺寸750x563
大功率温度控制电路
图片尺寸794x458
自动调功式温控器电路图
图片尺寸850x816
实用温控器电路图
图片尺寸526x357
温控器开关接线图及原理
图片尺寸500x412