ldo稳压电路图

低压差线性稳压器(low dropout regulator,ldo)具有结构简单,成本低廉
图片尺寸914x562
发一个常见的稳压电路ldo电压可调
图片尺寸875x439
ldo线性稳压ic原理图
图片尺寸1000x556
应用电路图 - diodes incorporated ap7330 ldo稳压器
图片尺寸623x339
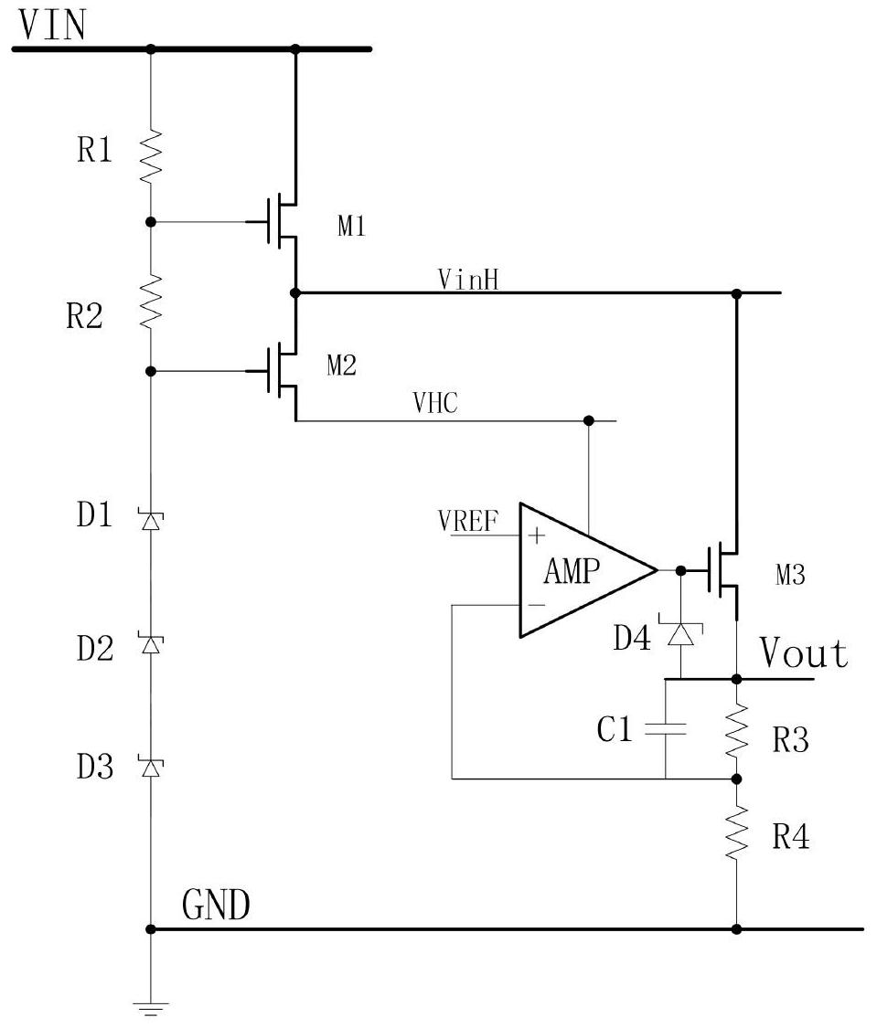
一种控制ldo压降状态静态功耗的电路
图片尺寸1587x1087
diodes inc. ap7380 uldo稳压器
图片尺寸728x628
线性稳压器ldo
图片尺寸300x248
一种具有钳位限流功能的高压ldo电路-爱企查
图片尺寸959x1125
sg3524型控制器,开关电路,高频变压器,后级桥式整流器和ldo稳压器
图片尺寸1000x537
给大家介绍一个ldo电路
图片尺寸421x379
ldo线性稳压ic原理图
图片尺寸595x376
基于分立元器件的低压差稳压(ldo)电路图
图片尺寸484x379
ldo线性稳压器的传统电路结构如图1所示,由误差放大器,缓冲器,调整管
图片尺寸400x506
ldo稳定性分析 - 电路设计论坛 - eetop 创芯网论坛 (原名:电子顶级
图片尺寸1572x708
噪声敏感的应用要求采用超低噪声ldo稳压器
图片尺寸945x451
硬件知识之低压差线性稳压器ldo的选择
图片尺寸624x400
一种用于线性稳压器ldo的限流电路
图片尺寸600x461
ldo低压差线性稳压器ic原理图
图片尺寸600x288
一种适用于大容量sim卡芯片的新型ldo电路的制作方法
图片尺寸610x525
ldo低压差线性稳压器电路解析
图片尺寸877x545