led吸顶灯电路图

维修led吸顶灯
图片尺寸2003x1258
一种智能按制驱动led吸顶灯的制作方法
图片尺寸1000x717
巧用cd4017作彩虹吸顶灯电路图
图片尺寸946x503
接电路的时候最好找个万用表,我看你那个接口接的是黄色的,黄色的那个
图片尺寸668x526
简单led灯电路图原理图(介绍两款常用的led灯电路工作原理)
图片尺寸1000x483
led吸顶灯及其驱动电源解读
图片尺寸524x305
led吸顶灯专用驱动芯片 cyt1000a - led恒流驱动芯片 - 二极管新闻
图片尺寸711x344
led日光灯管电路原理图(串联型)
图片尺寸1832x1041
吸顶灯照明电路
图片尺寸767x442
led吸顶灯及其驱动电源解读
图片尺寸548x283
一种可控制智能家居的led吸顶灯系统的制作方法
图片尺寸851x1000
卡德斯led吸顶灯电路工作原理
图片尺寸576x437
一例led灯恒流电源电路图,led吸顶灯二种常见故障分析——led吸顶灯最
图片尺寸602x295
led是17颗3030的电压为6v的灯珠串联起来的,现在这个电路可以去掉频闪
图片尺寸1775x654
3w最简单led灯电路图_星火相传——流水灯-蒲公英云
图片尺寸1039x637
产品库 led照明 技术论文 > 正文 图2所示为du8633z吸顶灯控制原理图
图片尺寸650x395
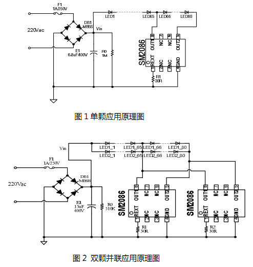
sm2086 led吸顶灯方案
图片尺寸494x522
36wled球泡电路图
图片尺寸673x378
附上阻容的led电路
图片尺寸943x394
3w的led筒灯电路原理
图片尺寸1551x933