led显示屏控制器接线图

d6控制器接线示意图.jpg
图片尺寸1920x1640
led全彩外露灯控制器c1 发光字控制器
图片尺寸790x632
这个led电子灯箱控制器怎么接线的?麻烦高手解释得详细下.
图片尺寸1024x336
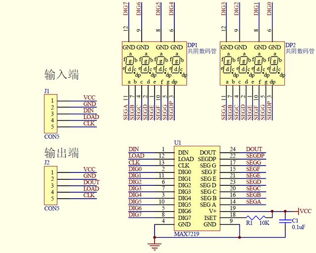
led显示屏控制系统
图片尺寸1516x1238
7寸液晶屏 树莓派显示器 hdmi高清全彩 车载显示器 raspi
图片尺寸700x600
7彩led控制器接线图
图片尺寸1024x720
cn105551430b_led箱体和led显示屏系统有效
图片尺寸2067x1344
led灯带控制器幻彩灯带控制器全彩灯带控制器
图片尺寸790x517
30a4键射频控制器 单个控制器接线示意图
图片尺寸468x475
led轮廓灯控制器接线图
图片尺寸790x556
leddmx512射频遥控 带sd卡支持多种芯片输出大功率控制器 特价
图片尺寸2223x2353
首页 电子 显示器件 led显示屏 >批发供应室内3.
图片尺寸739x500
你可能喜欢 led显示屏工程 看懂电路图 led点阵显示屏原理 电子元器件
图片尺寸1419x929
液晶屏驱动原理图液晶显示屏驱动板工作原理
图片尺寸640x512
led单色穿孔外露灯接线说明(控制器)
图片尺寸2135x1510
led显示屏培训 诺瓦
图片尺寸1080x810
案例图接线说明swp-led系列数字显示控制仪采用微处理器进行控制运算
图片尺寸480x278
led灯箱控制器原理图
图片尺寸3565x2355
5050rgbled软灯条505060ledmrgbledstrips
图片尺寸746x464
珠海缤彩led控制器,rgb控制器,5050灯条控制器 bc-361-4a
图片尺寸813x655