led灯驱动电源电路图

8-24wled灯驱动电源板1.png
图片尺寸774x474
led灯驱动电路图
图片尺寸2003x1258
led光源驱动接线图
图片尺寸711x344
无忧文档 所有分类 工程科技 电子/电路 cl1221_led电源驱动3w非隔离
图片尺寸1078x492
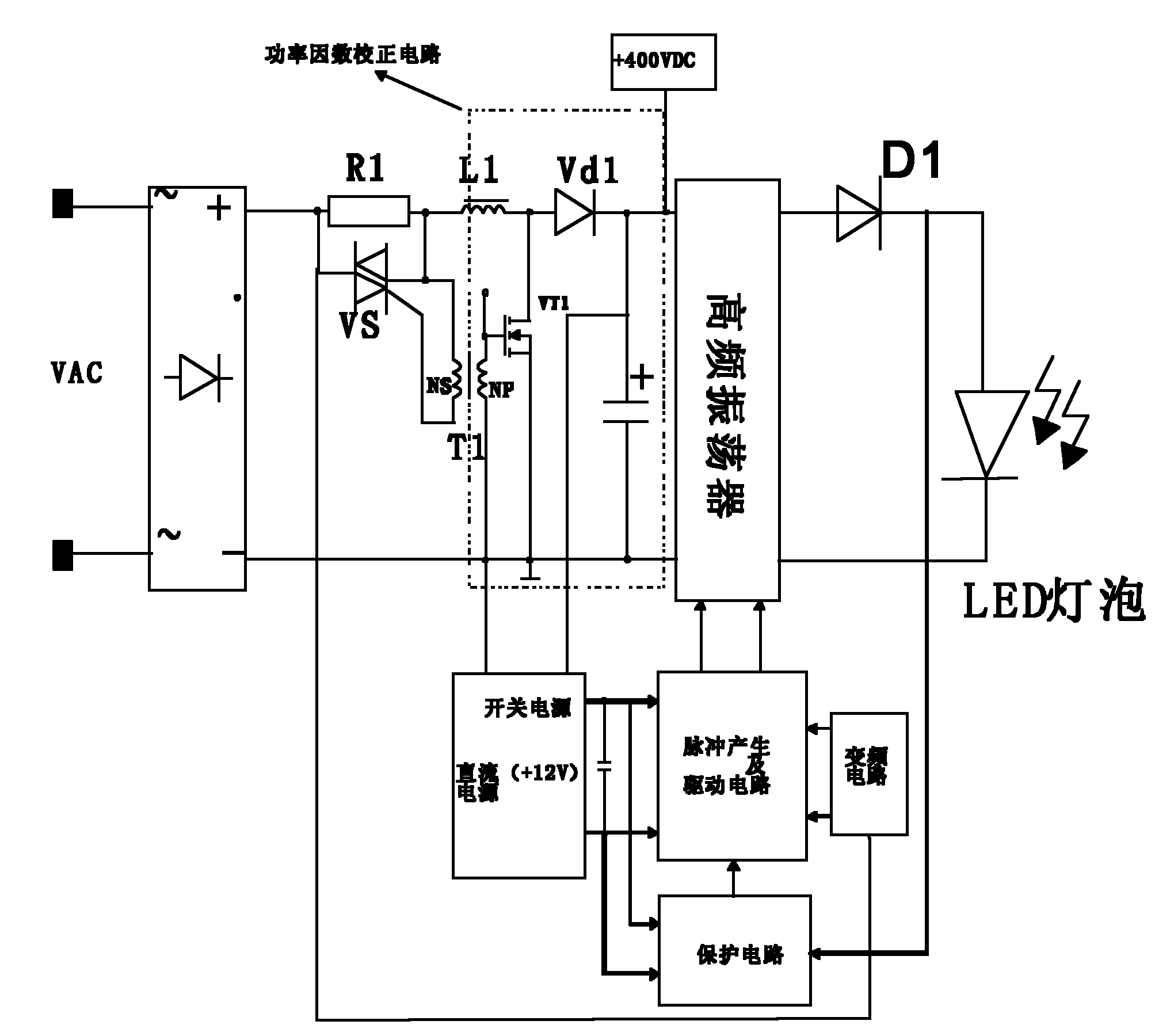
一种大功率led灯驱动电路
图片尺寸1640x1628
可调led灯电源驱动电路
图片尺寸2691x1760
适用于后备电源支架灯的led灯管驱动电路
图片尺寸2751x1390
led驱动电源的集成电路及其制造方法及led驱动电源与流程
图片尺寸1000x480
一种线性驱动led工作特性的新型小功率电源电路
图片尺寸1817x1077
一种使led灯正常发光的独立驱动电源的制作方法
图片尺寸1000x491
大牛带你分析一个led驱动电源电路
图片尺寸1178x538
led电源驱动电路系统设计
图片尺寸800x354
图4 led 驱动电路图
图片尺寸661x343
cn201995169u_大功率led路灯驱动电源失效
图片尺寸2040x1800
led节能灯的驱动电源电路图
图片尺寸893x808
我也diy一个led灯【驱动电源篇】
图片尺寸837x668
3w一个led大功率led驱动器用于led照明
图片尺寸1088x728
所有分类 工程科技 电子/电路 最新高性价比led高压线性恒流驱动电源
图片尺寸818x506
一个led照明驱动原理
图片尺寸989x420
电子设计 电源技术 电源技术 > 基于tny279的大功率led光源驱动电路
图片尺寸1212x609