lf347n引脚图

基于lf347构成的脉宽调制控制器
图片尺寸374x214
lf351
图片尺寸1026x1439
lf347bn,lf347bn pdf中文资料,lf347bn引脚图,lf347bn电路-datasheet
图片尺寸850x1100
放大器引脚信主要特性lf147347四jfet输入运算放大器
图片尺寸1375x1647
24 v用于给模拟传感器供电,信号输出引脚直接连接到运放lf347输入引脚
图片尺寸486x424
【lf147 , lf347 -nwww.ti.
图片尺寸850x1100
lf347n运算放大器原装规格参数及引脚框图_应用_供电_电流
图片尺寸692x538
lf347bn,lf347bn pdf中文资料,lf347bn引脚图,lf347bn电路-datasheet
图片尺寸850x1100
通用复合并联缓冲器lf347电路图
图片尺寸1600x906
lf347bn参数datasheetpdf下载
图片尺寸600x776
ixgt32n170a_引脚图_电路图(2/5)_ixys - 万联芯城
图片尺寸892x1186
ua741/op07/7650/lf347运算放大器资料
图片尺寸410x347
lf356调零电路(六款调零电路原理图详解)
图片尺寸1052x404
lf147n,lf147n pdf中文资料,lf147n引脚图,lf147n电路-datasheet-电子
图片尺寸826x1169
tl084acdr 引脚图
图片尺寸448x332
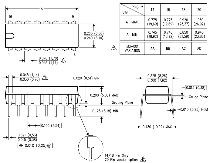
lf347n,lf347n pdf中文资料,lf347n引脚图,lf347n电路-datasheet-电子
图片尺寸850x1100
lf347n ti dip直插 集成电路
图片尺寸658x571
lf347n,lf347n pdf中文资料,lf347n引脚图,lf347n电路-datasheet-电子
图片尺寸850x1100
较常用的四运放有:lm324,tl084,lf347,opa4131等.
图片尺寸564x437
lm324组成的反相交流放大电路图
图片尺寸511x301