lm2576典型使用电路图

单片机实用电源电路
图片尺寸606x402
33v升压到12v电路图大全六款模拟电路设计原理图详解
图片尺寸589x432
求一个电源设计电路图
图片尺寸839x307
48v转12v电路图
图片尺寸894x463
求36v直流转换直流12v/5a 开关电路
图片尺寸2343x998
正电压转负电压电路
图片尺寸388x393
lm2576电源翻转电路(稳定版)(工作原理在protel图里)
图片尺寸1338x527
展开全部 实用电路如下图(建议你改用lm2576,这款器件的用法和lm2596
图片尺寸1007x500
电源电路请教~~~(lm2576和lm7815芯片)
图片尺寸889x599
lm386功放电路
图片尺寸640x480
摘要: 分享到: 25w反激式dc-dc转换器的电路设计
图片尺寸1014x530
求解lm2576t电源电路的参数计算
图片尺寸875x367
电动车自适应无刷直流电机控制器中mos管应用选择解决方案
图片尺寸1890x1417
lm2576可调电压电路图
图片尺寸603x234
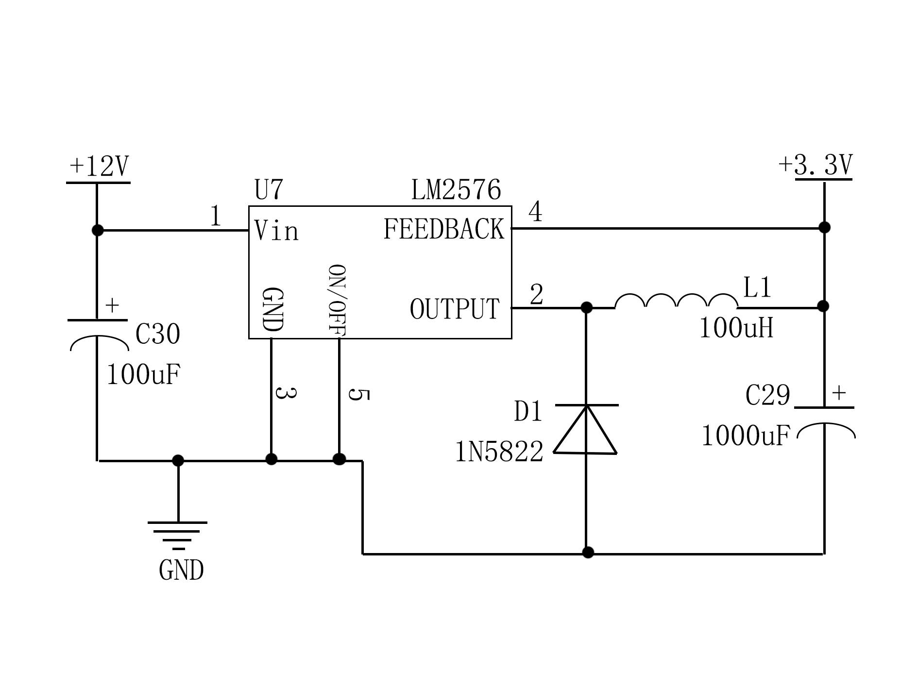
(5)12v直流电转3.3v稳压直流电的电路图及说明.
图片尺寸796x557
你有没有收藏的用lm2576做电源的电路图呀?
图片尺寸836x288
大神们求助 关于用lm2576做可调稳压源的 快崩溃了
图片尺寸1080x573
lm2576构成的升压型扩流的应用电路
图片尺寸1272x1070
hifidiy论坛-各位朋友帮忙看看 我的6n5p 用lm2576供
图片尺寸534x800
比如lm2576hvt,lm2576hvs,最高输入电压可达60v; 三,lm2596的典型电路
图片尺寸1064x531