lm2576hvt电路图

图4-3是海信tlm3277液晶电视机的电源板的电路简图.
图片尺寸3516x2102
20_电路
图片尺寸2445x1692
lm25116没有电压输出
图片尺寸1268x592
恒流/恒压充电器电路
图片尺寸903x440
手机充电座接线图
图片尺寸800x600
单节锂电池2x10w_双节锂电池2x20w动态升压双声道音频功放组合方案
图片尺寸3464x2464
求一个电源设计电路图
图片尺寸839x307
正电压转负电压电路
图片尺寸388x393
求解lm2576t电源电路的参数计算
图片尺寸875x367
基于超级电容器的后备电源电路图
图片尺寸1611x705
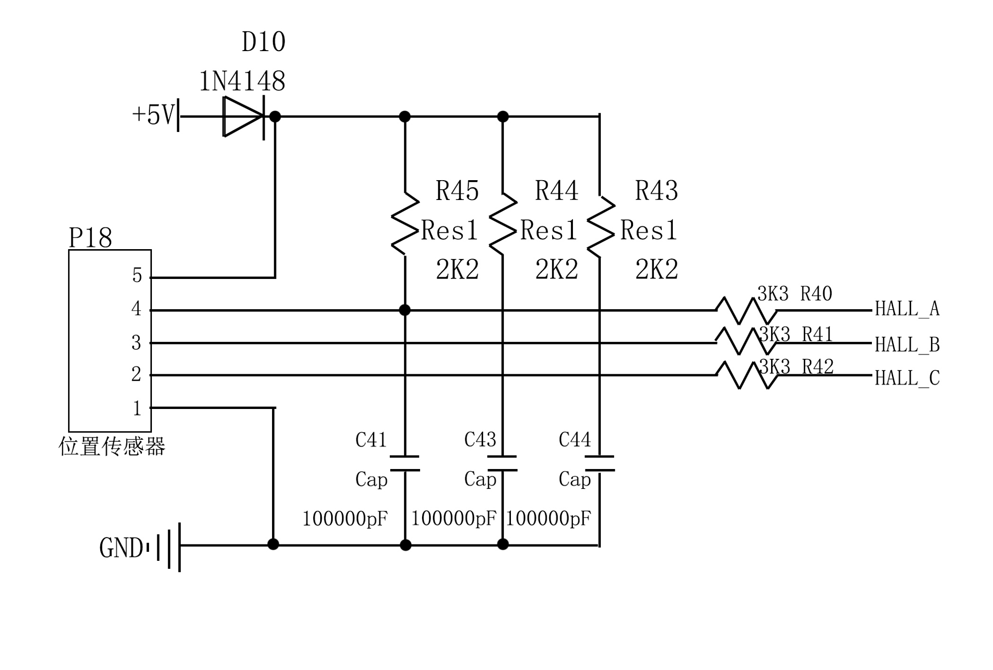
3v电路】【电流检测电路】【霍尔传感器接口电路】微碧半导体mos管
图片尺寸1890x1417
百度爱采购首页 商品专题_无刷发电机 优质回答 控制器电路硬件设计
图片尺寸2000x1350
系列_电路
图片尺寸1501x1089
lm2577升压电路
图片尺寸1052x575
3v升压到12v电路图大全(六款模拟电路设计原理图详解)
图片尺寸589x432
75w反激式led驱动电源电路解析
图片尺寸1336x516
使用lm2576制作数控电源
图片尺寸1342x802
1 系统电源电路 ⑵键盘,蜂鸣器及led电路
图片尺寸981x557
5w电视发射机电路图
图片尺寸1127x493
48v转12v电路图
图片尺寸894x463