lm2576s典型电路图

实用24v转5v电路,主电源芯片: lm2576s-5 电源功率
图片尺寸606x402
cr6842s芯片电源无输出维修实绘电路
图片尺寸570x375
关于lm25116的电流输出问题 - 电源管理论坛 - 电源
图片尺寸1230x575
求解lm2576t电源电路的参数计算
图片尺寸875x367
lm2576有直接输出12v(lm2576-12)和输出5v(lm2576
图片尺寸1174x956
图7.11 lm75b应用电路
图片尺寸484x308
开关集成稳压器lm2576系列的典型应用电路
图片尺寸1501x1089
【原理解析】稳压电源,开关电源,dc-dc电源,充电电路,恒流源电路详细
图片尺寸583x349
lm2576构成的欠压封锁输出的稳压器应用电路
图片尺寸1075x1015
lm2576构成的负电压输入和负电压输出的稳压器应用电路
图片尺寸987x1176
典型电源适配器电路图
图片尺寸1200x794
lm2576构成的升压型扩流的应用电路
图片尺寸1272x1070
基于超级电容器的后备电源电路图
图片尺寸1611x705
基于lm2576的高可靠mcu电源设计
图片尺寸549x346
3v 1. 实用24v转5v电路,主电源芯片: lm2576s-5 电
图片尺寸893x396
变频空调典型通信电路.心中有图,得心应手.着实不想修电路了, - 抖音
图片尺寸1440x2564
你有没有收藏的用lm2576做电源的电路图呀?
图片尺寸836x288
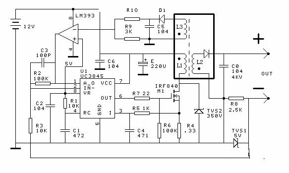
ld7575做70w反激恒流输出变压器叫的厉害
图片尺寸1103x584
这个lm2576稳压模块电路图有什么问题?
图片尺寸891x323
求一个电源设计电路图
图片尺寸839x307