lm258引脚图及功能

原装正品ic 直插 lm258p 运算放大器 双通道 700khz dip-8
图片尺寸553x413
ppsppt 汽车维修资料 常用积成模块-lm411 lm741lm358 lm411 lm358
图片尺寸1080x810
lm258dr(ti通用放大器)引脚图及中文参数介绍
图片尺寸400x265
【产品】可单电源或双电源工作的低功耗双通道运算放大器lm258,输入
图片尺寸343x225
lm258dr引脚图
图片尺寸772x307
lm258-n 数据表 | 德州仪器 ti.com.cn
图片尺寸2808x1708
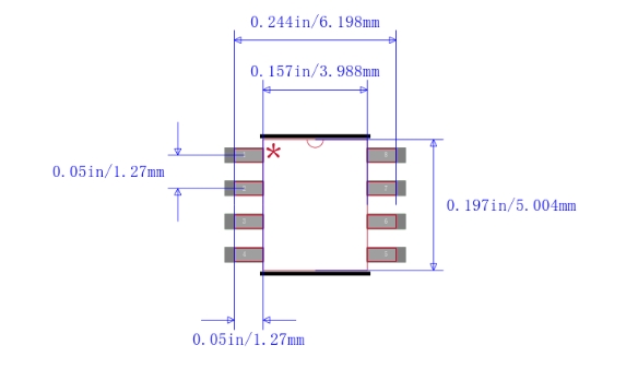
lm258adr(ti运算放大器)引脚图及中文参数
图片尺寸688x679
lm258adr(ti运算放大器)引脚图及中文参数
图片尺寸573x338
lm2586sx-adj/nopb
图片尺寸2747x2601
lm258使用问题
图片尺寸625x264
lm258adr(ti运算放大器)引脚图及中文参数
图片尺寸449x328
lm258p
图片尺寸893x1216
lm258 datasheet(数据表) 3 page - artschip electronics co.
图片尺寸892x1263
lm258adr(ti运算放大器)引脚图及中文参数
图片尺寸400x225
lm258ad datasheet(14/16 pages) stmicroelectronics | low power
图片尺寸892x1263
lm258dr/lm258dt运算放大器中文资料规格书产品手册引脚图功能图参数
图片尺寸800x800
lm258问题
图片尺寸585x371
lm258_06 参数 datasheet pdf下载
图片尺寸850x1101
lm2586t-adj pdf datasheet浏览和下载
图片尺寸850x1100
lm358管脚图
图片尺寸1080x810