lm2904应用电路图

测试电路图
图片尺寸1440x1080
2.1 测试电路原理图
图片尺寸1757x1000
图3 设计主电路图 功率部分: 图3为实际设计中的主电路结构,采用功率
图片尺寸851x352
lm2904 pwm电路
图片尺寸1119x479
通用放大器lm2904dr2g/lm2904dr/lm2904dt/aip2904
图片尺寸640x317
基于cav424的电容式压力传感器测量电路设计
图片尺寸430x273
应用领域:可穿戴式产品温度测量电池供电系统传感器音频活跃的过滤器
图片尺寸500x354
您好, 比较器lm2903是oc输出,外部需要接上拉,您电路输出接上拉了吗
图片尺寸2418x993
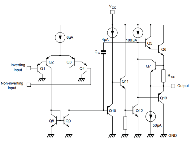
低的静态电流(每个放大器为 300a,典型值)等增强型特性简化了电路设计
图片尺寸1014x821
应用电路图 - stmicroelectronics lm2903wh与lm2904wh比较器和放大器
图片尺寸808x635
2904ba-q1 是符合 aec-q100 规范的业界通用运算放大器,适合汽车应用
图片尺寸640x434
lm2904压力传感器检测电路 - ic应用电路图 - 电子发烧友网
图片尺寸915x623
lm2904压力传感器检测电路 - ic应用电路图 - 电子发烧友网
图片尺寸547x271
lm2904引脚图及功能
图片尺寸640x341
它通常在各种模拟电路和信号处理应用中使
图片尺寸617x462
1,引脚,又叫管脚,英文叫pin,就是从集成电路(芯片)内部电路引出与外围
图片尺寸640x341
ib很简单,直接查看放大器手册就可以了,查看lm2904
图片尺寸875x408
lm2904mx/nopb运算放大器中文资料规格书pdf数据手册
图片尺寸282x147
lm2904引脚图及功能
图片尺寸640x341
lm338 可调稳压电路 lm338 可调直流电源,引脚图 参数,帮你搞定
图片尺寸792x612