lm324引脚图电压

对比 sgm8634以及lm324运放
图片尺寸1134x1041
lm324adr通用运算放大器芯片中文资料pdf数据手册产品手册引脚图参数
图片尺寸342x236
对比 sgm8634以及lm324运放
图片尺寸1164x501
请问我手里有lm324n能用么,怎么接
图片尺寸501x476
lm324引脚图
图片尺寸606x587![内部电路图额定电源电压: 5vlm324n 和 e2v 信息[1]manufactured by](https://i.ecywang.com/upload/1/img2.baidu.com/it/u=416957801,2914059166&fm=253&fmt=auto&app=138&f=JPEG?w=291&h=300)
内部电路图额定电源电压: 5vlm324n 和 e2v 信息[1]manufactured by
图片尺寸291x300
对比 sgm8634以及lm324运放
图片尺寸1920x1080
lm324文氏电桥振荡电压跟随器比较器对口单招电子技能tj-56-465
图片尺寸800x800
lm324,此运放不是轨对轨的运放,那么运放的最低输出电压是不可能等于0
图片尺寸1428x812
lm324引脚图及功能
图片尺寸850x660
电路参数:运放a1,a2:lm324r1,r3:10kΩr2,r5:910kΩrl:51kΩr6:5.
图片尺寸1352x751
深圳现货光耦hcpl-0453-500e-阿里巴巴
图片尺寸1856x1280
原装lm324apt tssop-14 低功耗四路运算放大器芯片低输入偏置电流
图片尺寸360x360
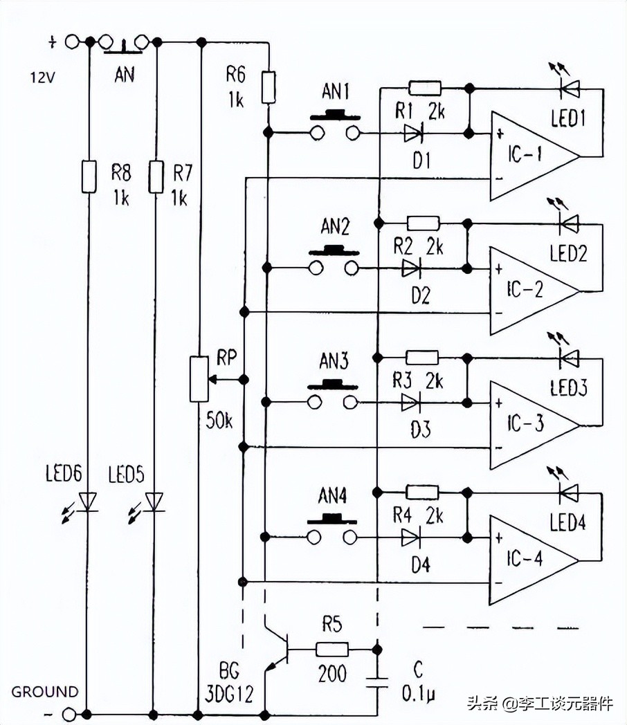
lm324引脚图及功能
图片尺寸906x1048
lm324n lm324双运/四路运算放大器lm224/258/358/386集成电路芯片
图片尺寸360x360
深圳现货光耦moc3081-阿里巴巴
图片尺寸310x310
lm324dr2g/lm324dr/lm324d运算放大器中文资料规格书pdf数据手册引脚
图片尺寸800x800
lm324dt 原装正品 贴片 tssop-14 四路运放 运算放大器芯片 lm324
图片尺寸360x360
全新原装 lm324n lm324 直插dip14 ti 通用运算放大器电路芯片ic
图片尺寸360x360
原装lm324amx lm324am 运算放大器芯片 封装sop14 集成电路ic
图片尺寸360x360