lm339音频灯电路图

谁能给我一个独立元件的音频灯电路图,越简单越好?下图的试过了,不行
图片尺寸550x272
逆向音频音乐跑灯电路
图片尺寸1056x872
谁能给我一个独立元件的音频灯电路图,越简单越好?下图的试过了,不行
图片尺寸599x190
如何做出汽车用音乐节奏来控制led灯闪烁
图片尺寸753x615
声控闪光灯安装接线图怎么画
图片尺寸625x418
音频光电路
图片尺寸735x910
录音-电路图-电子产品世界
图片尺寸638x332
音频音乐跑灯电路图2009-06-16关键字:电路图音响光效果显示器电路图.
图片尺寸492x791
一个lm339音频灯电路图疑问
图片尺寸487x309
实现灯光变幻的控制方案有许多种,该电路是其中的一种,可以选择性地
图片尺寸635x710
一个简单的音频放大驱动器电路,为lm3915提供直流驱动器.
图片尺寸994x930
音频音乐跑灯电路图
图片尺寸493x778
图1-23所示为由集成电路lm386构成的声控节能灯电路.
图片尺寸685x268
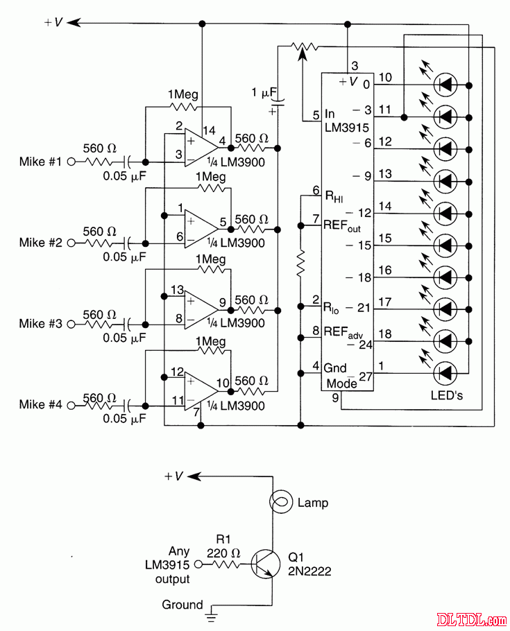
这是一个由话筒做音频输入的音乐电平灯,在话筒放大电路中有些元件要
图片尺寸958x619
双重显示的音频指示器电路图
图片尺寸948x1176
求三洋m9819的电路图
图片尺寸3200x2240
我建议你用国半的lm3915芯片,可以用音频信号控制10个二极管,你要个
图片尺寸755x531
这样不太好吧,led容易烧,最好做个电平指示灯,我这里有个自己画的电路
图片尺寸593x276
还见有朋友问音频电平led指示的电路.
图片尺寸615x459
led音频电平指示灯和报警电路
图片尺寸519x383