lm339驱动电路图

ha17339-电路图-电子产品世界
图片尺寸750x558
lm339-mil low-power low-offset voltage quad comparator
图片尺寸2045x2073
lm339 用作比较器
图片尺寸742x845
lm324lm393和lm339制作的有刷控制器lm393比较器典型电路图大全红外
图片尺寸624x410
设计实例基于lm3409的led恒流驱动电路
图片尺寸1280x720
三相无刷电机驱动电路
图片尺寸812x582
lm339-mil low-power low-offset voltage quad comparator
图片尺寸4202x4159
lm339应用电路-电动车电压指示电路图
图片尺寸775x484
图 3双限比较器(窗口比较器)图1电路由两个lm339组成一个窗口比较器.
图片尺寸251x160
液晶电视机驱动电源原理图
图片尺寸3565x2355
求大神给个89c52驱动l293d直流电机程序
图片尺寸1200x855
图三 lm339
图片尺寸243x159
步进电机驱动芯片电路图
图片尺寸387x208
lm339电压输出不会跳变,就是会随电位器的调节,输出端电压改变,求解啊
图片尺寸600x500
基于mc33039和mc33035的无刷直流电机驱动控制电路.
图片尺寸859x735
求教,遇到一个关于lm339比较器的奇怪的现象.
图片尺寸765x413
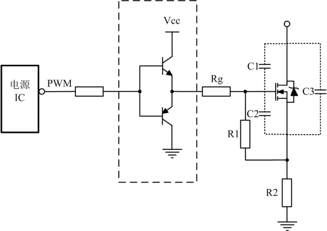
工程师必看mos管几种常用的驱动电路
图片尺寸641x453
lm339-mil low-power low-offset voltage quad comparator
图片尺寸2152x2400
lm339 电动车调速电路.gif
图片尺寸687x582
lm339-mil low-power low-offset voltage quad comparator
图片尺寸2984x2040