lm350k引脚图及功能

0 lm7171bin lp38501ts-a-阿里巴巴
图片尺寸360x360
lm350t可调电压稳压器引脚配置特征
图片尺寸600x508
【lm350k pdf数据手册】_中文资料_引脚图及功能_(意法半导体 st
图片尺寸467x716
lm35 pdf datasheet浏览和下载
图片尺寸850x1100
lm350t可调电压稳压器引脚配置特征
图片尺寸443x302
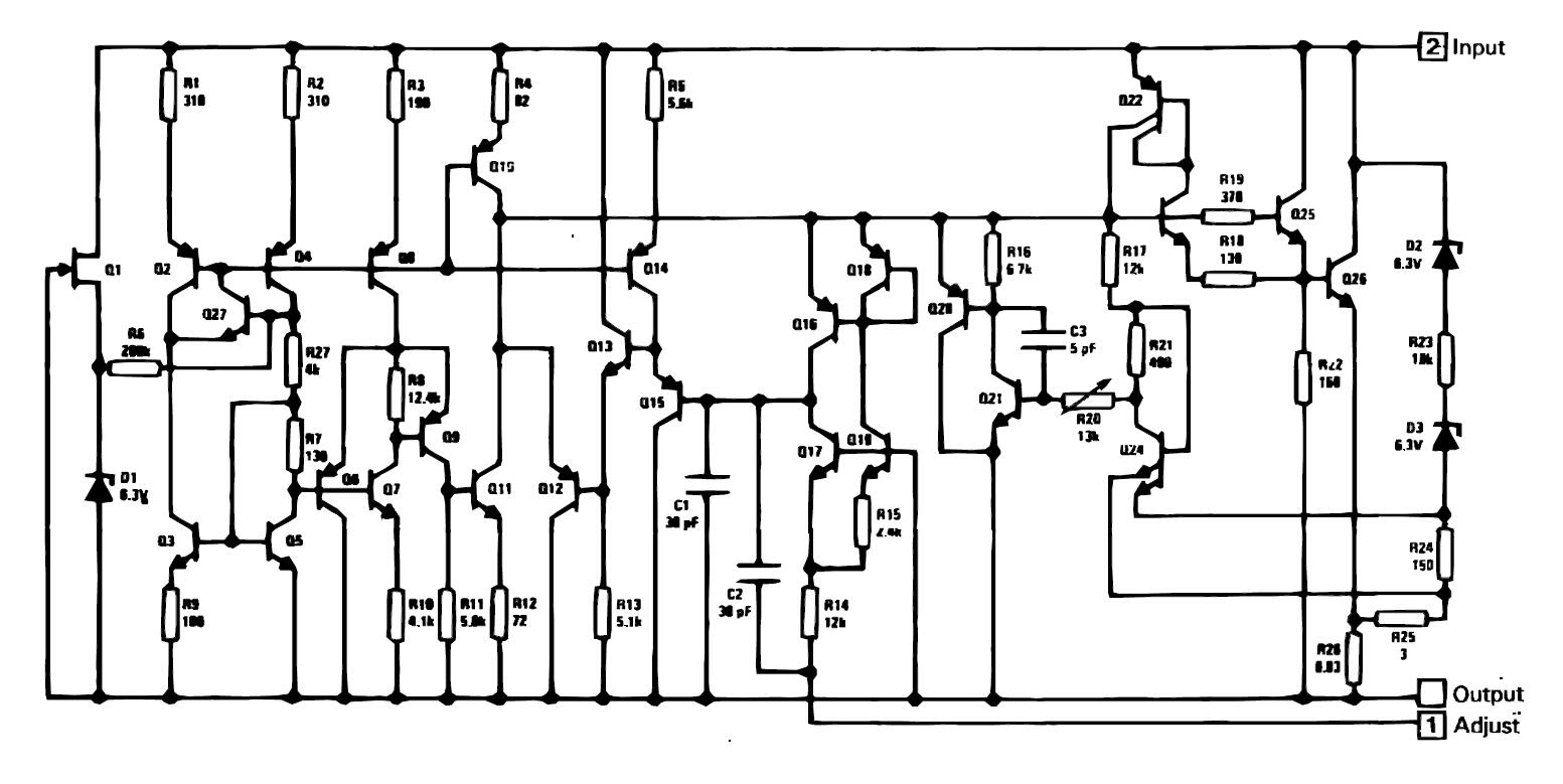
【lm350k pdf数据手册】_中文资料_引脚图及功能_(意法半导体 st
图片尺寸1553x779
lm350k 引脚图
图片尺寸523x314
fairchildsemi.
图片尺寸850x1100
【lm350k pdf数据手册】_中文资料_引脚图及功能_(意法半导体 st
图片尺寸801x519
cheap lm350k voltage regulator
图片尺寸1051x939
lm350k steel/nopb | 德州仪器 电压调节器, 3引脚 | rs components
图片尺寸444x315