lm78h12k稳压电路图

稳压电路图
图片尺寸588x392
双路直流稳压电源电路原理图
图片尺寸1098x602
lm78h12k稳压电路图
图片尺寸812x416
稳压电源电原理图电路图
图片尺寸472x299
半桥式开关稳压电源实用电路
图片尺寸2546x1569
稳压电源电路图
图片尺寸1160x596
开关稳压开关电源电路
图片尺寸946x793
为什么用这个电路图稳压之后得不到±12v的电压?
图片尺寸752x369
晶体管直流稳压电源电路
图片尺寸885x574
恒流稳压电源带电路图原理 基础解析
图片尺寸998x566
文档下载 所有分类 工程科技 电子/电路 > 直流稳压电源的制作与调试
图片尺寸1564x732
详细解析串联稳压电源电路和典型电路图
图片尺寸771x293
家用交流自动调压稳压器电路图
图片尺寸562x287
12v直流稳压电源电路
图片尺寸1106x508
交流稳压器电路工作原理图
图片尺寸667x359
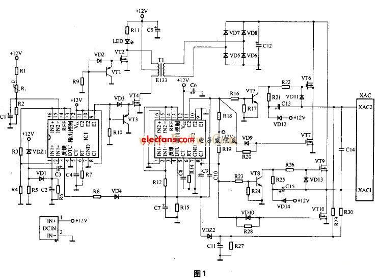
冰箱稳压器电路图
图片尺寸1057x415
线性稳压电源电路图
图片尺寸1067x384
输出双组正负电压12v的稳压电源电路图
图片尺寸856x359
恒流稳压电源带电路图原理 基础解析
图片尺寸998x566
稳压二极管组成的基本稳压电电工基础电路图讲解
图片尺寸742x549