ltk5112电路图

ltk5112是一款4Ω28wf类单声道功率音频放大器
图片尺寸898x588
511_电路
图片尺寸680x403
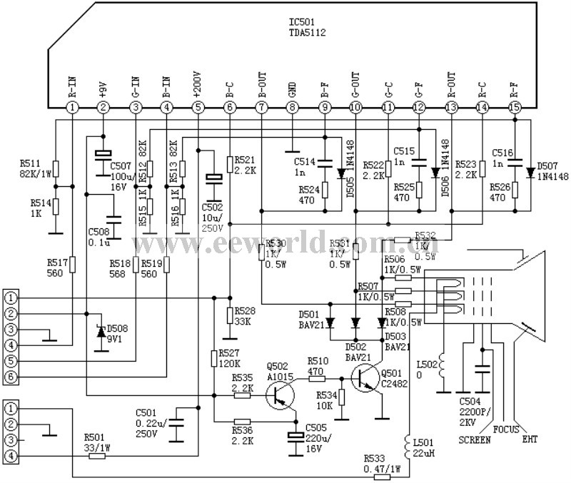
视放电路:tda5112
图片尺寸800x677
在突发模式,可通过外置编程设置pwm工作频率,内置自动校准补偿电路,低
图片尺寸2812x1638
12_电路
图片尺寸831x1132
一个简单功放设计制作与电路图分析
图片尺寸500x221
直流到交流逆变器电路图
图片尺寸1524x712
ltk5128单声道5wd类自动增益防破音控制
图片尺寸793x1122
lm25116没有电压输出
图片尺寸1268x592
基于lm5117的一款buck电源原理图
图片尺寸1459x671
20w12v输出开关电源电路图
图片尺寸2190x995
山特ups电源电路图
图片尺寸814x1111
功放电路图
图片尺寸520x402
sg6105电脑开关电源电路图
图片尺寸1404x955
力信lcd开关电源电路
图片尺寸1500x1084
求长城电源电路图?
图片尺寸1748x1310
lcd55p08mlt5501lk电源板原理图
图片尺寸1680x1050
富电710型ups电源电路图
图片尺寸3831x2564
宽范围开关电源原理电路图
图片尺寸700x397
sg6105tda865开关电源电路原理图
图片尺寸1800x1058