lv47022个引脚功能图

tl494cn引脚功能图(tl494cn引脚图各引脚电压及功能)_电脑装配网
图片尺寸386x282
dc-005电源插座有三个引脚分别要怎么接?
图片尺寸894x561
51单片机各个引脚的功能
图片尺寸324x434
部分集成电路引脚排列图
图片尺寸640x566
ad603引脚图
图片尺寸390x233
引脚功能描述
图片尺寸680x477
stc89c52引脚图.jpg
图片尺寸731x1072
cd4511引脚功能电路图
图片尺寸609x433
max232引脚说明
图片尺寸595x714
七彩虹9500gt,tv out接口,七针s端子的引脚定义是什么?最好发个图
图片尺寸450x223
mc34063引脚图及功能
图片尺寸371x273
2843b引脚功能及电压 - 知晓星球
图片尺寸476x213
tl494引脚图
图片尺寸385x470
lm4702btanopb
图片尺寸850x1100
满意答案 jfsf2wmskf lv92018-09-01 追问 : 谢谢你! 00
图片尺寸600x481
集成电路引脚功能表
图片尺寸900x524
主要特性am26lv32c高速差驱动器和通信电路引脚及主要特性am26lv31c
图片尺寸1423x2359
tda8139引脚图及功能_tda8139典型应用电路
图片尺寸412x199
mc74lvxt4066dr2g 引脚图
图片尺寸1000x1000
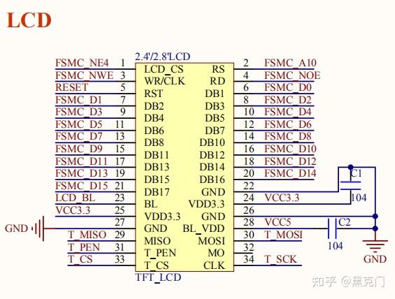
一,引脚与gram
图片尺寸565x428