ly9525芯片电路图

932_电路
图片尺寸881x497
一款采用555芯片的红外串口通信电路
图片尺寸945x470
tcl9525z整机电路图
图片尺寸3144x1269
我国集成电路产业快速发展,这七家芯片概念企业或将受益
图片尺寸640x427
u243bdistable多谐振荡器图中示出了最小的电路所必需的操作作为一个
图片尺寸826x1169
过压保护芯片
图片尺寸1003x750
胜金微升级漏保芯片,更好的保护电路的安全性,可靠性和稳定性
图片尺寸611x414
三节锂电池充电芯片ic设计模块的几种电路
图片尺寸999x945
48v转15v48v转12v48v转24v高效率降压恒压芯片sl3041电路简单
图片尺寸968x406
矽源特chipsourcetek-cst6116是一款单通道有刷直流马达驱动芯片_电路
图片尺寸600x450
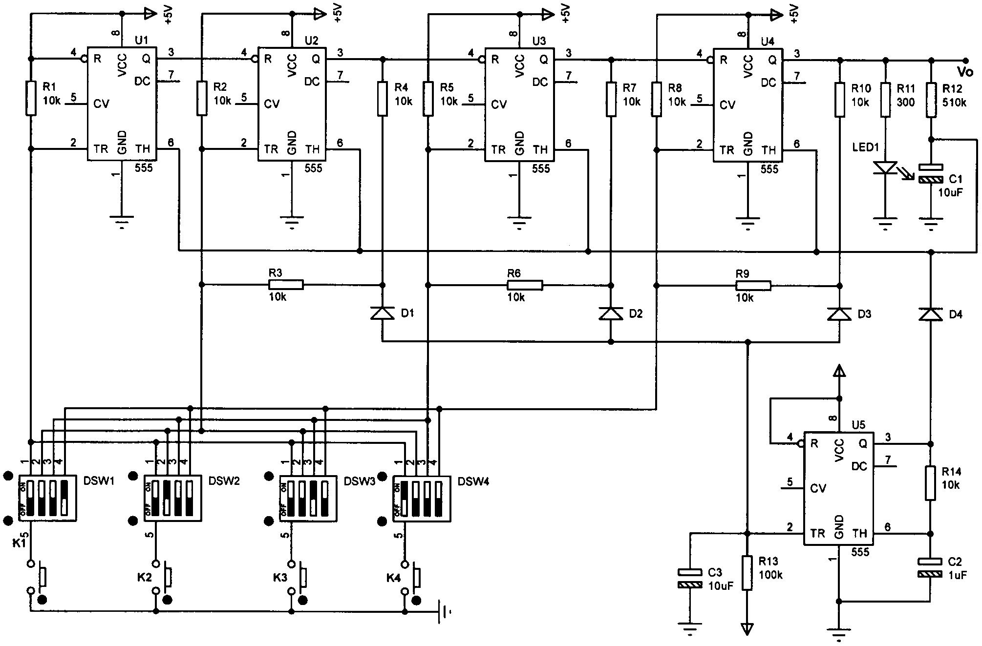
一种应用于555芯片教学的密码锁控制电路
图片尺寸2010x1323
雅迪电动车充电器 spy180a2芯片 - 拆机乐园 数码之家
图片尺寸735x642
矽源特chipsourcetek-cst6116是一款单通道有刷直流马达驱动芯片_电路
图片尺寸600x450
康源cre8268/8269移动电源ic四合一控制芯片 充电宝集成电路ic
图片尺寸750x359
动能方案 | 移动电源解决方案 dp4056芯片_充电_电芯_电路
图片尺寸554x276
电解电容:芯片稳定供电与电压滤波的关键元件,及充电器电路应用
图片尺寸1080x1429
三节锂电池充电芯片ic设计模块的几种电路
图片尺寸1123x965
驱动全新原装rz7889马达正反反转芯片3aic集成电路ic
图片尺寸700x700
添加标签3.延长引脚线2.放置排针1.添加芯片3.
图片尺寸1091x713
耐磨,抗造,应运而起_芯片_发展_集成电路
图片尺寸1032x621