m51544电路图

反馈电压检测变换,pwm比较,pwm锁存,过压锁存,欠压锁存,断续工作电路
图片尺寸554x339
315m遥控电路怎么设计
图片尺寸342x421
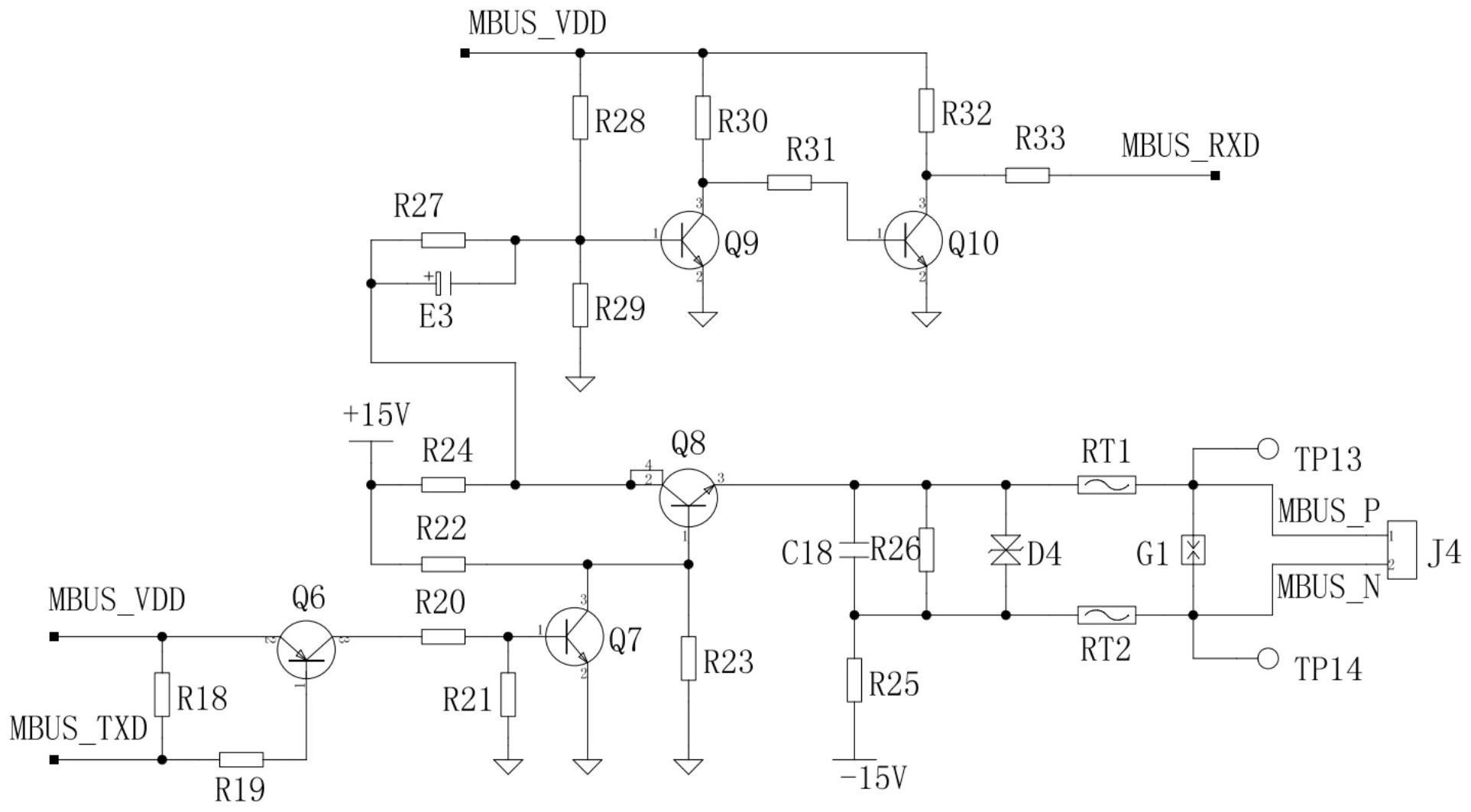
低成本的mbus主机电路
图片尺寸1925x1063
日本马兰士marantz510m电路图
图片尺寸1321x913
400m无线电遥控发射机电路
图片尺寸900x618
m51134应用电路
图片尺寸1269x880
315m遥控电路的设计与原理图
图片尺寸692x395![[ic前级] 折腾半日m65831,居然搞他不定火大](https://i.ecywang.com/upload/1/img1.baidu.com/it/u=2093259881,2260722424&fm=253&fmt=auto&app=138&f=JPEG?w=572&h=500)
[ic前级] 折腾半日m65831,居然搞他不定火大
图片尺寸940x821![集成电路电子内容描述:双电子音量 [dual electronic volume]pdf下载](https://i.ecywang.com/upload/1/img1.baidu.com/it/u=2792766071,2975860071&fm=253&fmt=auto&app=138&f=JPG?w=500&h=708)
集成电路电子内容描述:双电子音量 [dual electronic volume]pdf下载
图片尺寸826x1169
电动车充电器电路图m
图片尺寸763x1205
三菱公司推出m50系列数码卡拉ok芯片之后,推出了m65系列集成电路
图片尺寸480x274
mbus经典电路设计分析
图片尺寸640x282
一种具备强抗干扰能力的mbus主节点电路的制作方法
图片尺寸1000x767
一种m62bus总线主机电路的制作方法
图片尺寸1000x887
m57959l/m57962l厚膜驱动电路采用双电源( 15v,-10v)供电,输出负偏压
图片尺寸802x528
一种mbus主机电路部分的收发控制电路的制作方法
图片尺寸1000x973
用m65831ap自制高品质数字卡拉ok电路
图片尺寸1191x604
es9038q2mi2siisdsddop同轴光纤spdif数字音频解码器
图片尺寸2200x2200![[求助]m1040无心磨床控制电路图](https://i.ecywang.com/upload/1/img0.baidu.com/it/u=665545835,3290455637&fm=253&fmt=auto&app=138&f=JPEG?w=500&h=358)
[求助]m1040无心磨床控制电路图
图片尺寸1562x1118
德生cxa1191m收音机电路图
图片尺寸2058x1645