m57962al引脚图

m57962al pdf资料下载(5/7 页)lgbt ic
图片尺寸792x1123
全新原装 m57962al igbt驱动模块 直插ic m57962al-01r-02 zip12
图片尺寸1400x1400
m57962al厚膜驱动替换型号qc9628a
图片尺寸939x524
代理商: 100% physicaldimensionsinches(millimeters)unlessoth
图片尺寸1006x1404
m57962al_word文档在线阅读与下载_无忧文档
图片尺寸1518x2148
m57959l
图片尺寸758x1140
移相全桥驱动
图片尺寸1920x1441
lm79xx pdf下载及第6页内容在线浏览 typicalapplications(continued)
图片尺寸837x1169
m57962al的引脚图
图片尺寸442x251
chq881108的博客
图片尺寸580x390
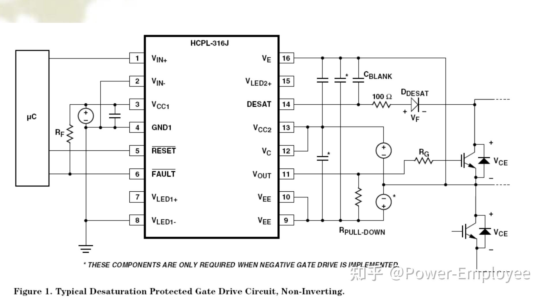
几种厂家驱动芯片驱动设计对比
图片尺寸1887x1034
lm7915ct pdf下载: 内容描述: 3端子1a负稳压器 [3-terminal 1a
图片尺寸827x1169
04-30 20:46:00来源:资料室 作者: 更新20201107 132016 electrical
图片尺寸513x653
基于m57959l的igbt驱动电路设计
图片尺寸1280x650
m57959l;中文规格书,datasheet资料
图片尺寸494x703
m57962中文资料
图片尺寸800x1132
2a_电路
图片尺寸1261x797
3引脚to- 92 ,模压,标准铅直 封装图纸是作为提供给客户的考虑飞兆
图片尺寸850x1100
当驱动信号通过脚14和脚13时,经过高速光耦隔离,由m57962al内置接口
图片尺寸639x454
一般igbt驱动电路采用ir2130或者驱动m57962al,本文设计的电路考虑
图片尺寸750x750