m57962l引脚功能图

引脚及内部结构
图片尺寸1040x605
lm8560集成电路的引脚功能
图片尺寸600x516
lm016l结构及功能docx
图片尺寸920x1130
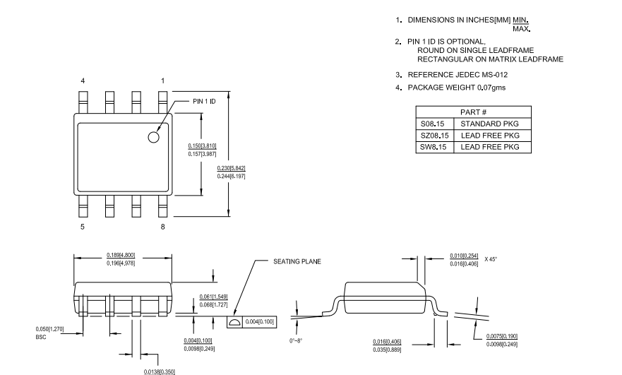
矽源特chipsourcetekcst5106l是一款高性能自电容触摸控制器
图片尺寸600x450
viper17ln电源芯片中文资料pdf数据手册引脚图数据参数规格书特性概述
图片尺寸554x676
fm25l16bg铁电赛普拉斯存储器芯片中文资料pdf数据手册引脚图图片参数
图片尺寸881x531
l298n芯片引脚图
图片尺寸857x560
lm016l结构及功能参考模板
图片尺寸920x1302
lm016l结构及功能
图片尺寸800x1132
原装st l7905cv l7912cv l7915cv-dg -5v/-12v/-15v 1.5a稳压器
图片尺寸790x2525
【l6562d中文资料】_l6562dpdf_l6562d应用电路_l6562d引脚封装图
图片尺寸763x392
m57962al pdf资料下载(5/7 页)lgbt ic
图片尺寸792x1123
电脑开关电源电路图大全
图片尺寸960x1357
at24c256c-sshl-t存储器芯片中文资料规格书产品文档pdf数据手册引脚
图片尺寸309x186
viper17ln电源芯片中文资料pdf数据手册引脚图数据参数规格书特性概述
图片尺寸277x347
m57959l
图片尺寸758x1140
第1讲自己动手学习单片机系列讲座-从电源开始ppt
图片尺寸1080x810
l6599dtr引脚图
图片尺寸400x310
lm8560如何使用七段数码管
图片尺寸796x512
cd4017引脚及功能
图片尺寸330x332