max232接线图

max232引脚说明
图片尺寸595x714
max232引脚图及rs232引脚定义
图片尺寸893x571
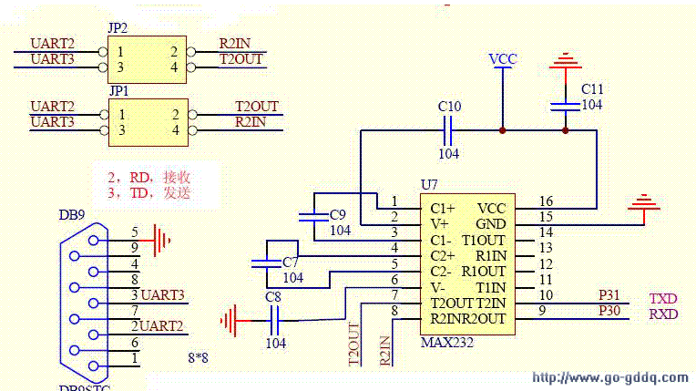
用max232的接口收发电路
图片尺寸764x429
max232芯片的引脚图和电脑串口的连接电路及rs232引脚
图片尺寸640x506
max232接法详解
图片尺寸475x466
max232的接口原理电路图
图片尺寸600x384
max232转接图
图片尺寸634x362
图2 max232转接图这个芯片就可以实现把标准rs232串
图片尺寸800x456
做串口时max232应该如何连接啊?
图片尺寸744x472
请问max232模块可以接at89s52单片机吗?就是上位机和下位机的通信.
图片尺寸450x298
max232产品是由德州仪器公司(ti)推出的
图片尺寸942x520
上图上max232的引脚排列图,下图是其接线图,左侧是rs232端口,右侧9,10
图片尺寸449x490
max232与单片机通讯问题
图片尺寸599x394
你好,你用max232向单片机下载程序时候,用的什么软件啊
图片尺寸439x567
max232详细中文总结
图片尺寸666x418
max232芯片外围电路图_接线图分享
图片尺寸665x535
proteus的max232芯片中只有vs 和vs-,而没有vcc,gnd,v和v
图片尺寸596x355
max232与串口
图片尺寸583x384
max232的16脚接电源,15脚接地 电路图怎么为
图片尺寸955x493
单片机用max232串口通信问题
图片尺寸601x393