mix2039功放电路图

前置放大器,线路放大器和功率放大器各适用什么场合 - 功放技术
图片尺寸803x657
想买一个功放套件,大家有什么好介绍的啊……最好是双电源供电的!
图片尺寸1176x558
hifi耳机放大电路集锦 - 功放技术 - 电子发烧友网
图片尺寸567x591
低音炮功放电源电路
图片尺寸830x520
这个功放电路对吗?
图片尺寸852x524
大家现在一般做功放diy,都做什么电路啊
图片尺寸800x570
mix2029高效率,无滤波器单声道f类音频放大器中文数据手册免费下载
图片尺寸675x401
用lm1875x2和ne5532x2制作的hifi功放电路(转) - 淡色.
图片尺寸939x514
求教:双差分功放电路工作原理及调试
图片尺寸800x427
2sa2151和2sc6100设计的分立元件功放电路
图片尺寸520x312
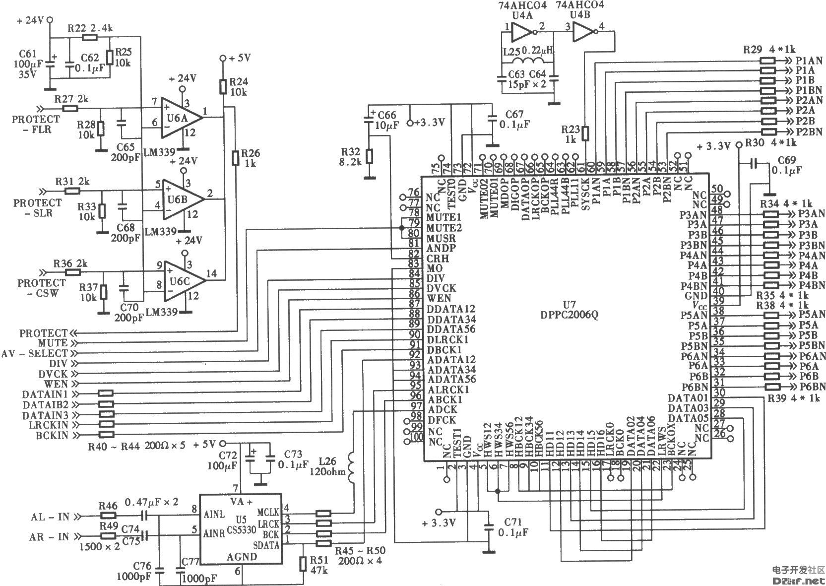
dppc2006q六声通数字功放前级信号处理电路电路
图片尺寸1665x1181
国芯思辰| 新品差分输入线驱/耳机直驱功放——aip97220a_电路_功率
图片尺寸599x706
mix2018a 5w单通道f类音频功率放大器mix2018 mixinno矽诺微
图片尺寸776x935
单端甲类功放电源电路改进升级记录(上)
图片尺寸964x602
天逸5.1功放 ad-9215hd
图片尺寸800x602
5声道av功放保护,中点电压很高,求热心人指点迷津
图片尺寸469x480
hifi音响功放电路图
图片尺寸521x418
国芯思辰| 新品差分输入线驱/耳机直驱功放——aip97220a_电路_功率
图片尺寸618x468
分立后级功放的偏置驱动改进入门的电阻偏置hifi的电压源偏置和今天讲
图片尺寸800x459![[图文]tda2009功放电路](https://i.ecywang.com/upload/1/img0.baidu.com/it/u=2376401459,2426353695&fm=253&fmt=auto&app=138&f=GIF?w=641&h=408)
[图文]tda2009功放电路
图片尺寸641x408